MTD LE 130 13RH763E600 (2012) Armaturenbrett Unterteil ab 27.01.2012 Ersatzteile
Armaturenbrett Unterteil ab 27.01.2012 13RH763E600 (2012)

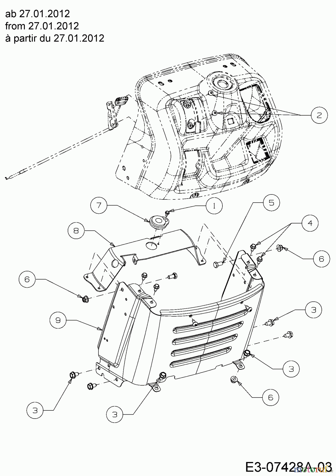
Hier finden Sie die Ersatzteilzeichnung für MTD Rasentraktoren LE 130 13RH763E600 (2012) Armaturenbrett Unterteil ab 27.01.2012. Wählen Sie das benötigte Ersatzteil aus der Ersatzteilliste Ihres MTD Gerätes aus und bestellen Sie einfach online. Viele MTD Ersatzteile halten wir ständig in unserem Lager für Sie bereit.


Qualitätsmanagement
Informieren Sie uns, wenn Sie einen Fehler gefunden haben.





