Cub Cadet RZT 54 17AI2ACK603 (2012) Mähwerk K (54"/137cm) bis 31.01.2012 Ersatzteile
Mähwerk K (54"/137cm) bis 31.01.2012 17AI2ACK603 (2012)

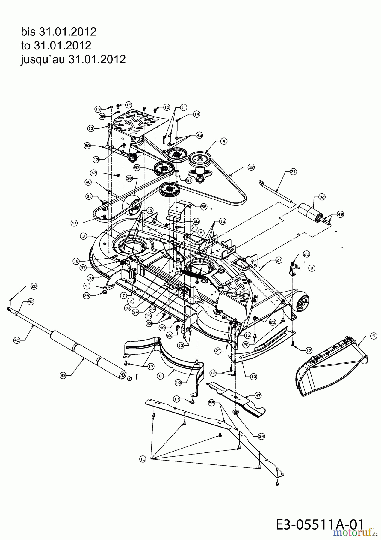
Hier finden Sie die Ersatzteilzeichnung für Cub Cadet Zero Turn RZT 54 17AI2ACK603 (2012) Mähwerk K (54"/137cm) bis 31.01.2012. Wählen Sie das benötigte Ersatzteil aus der Ersatzteilliste Ihres Cub Cadet Gerätes aus und bestellen Sie einfach online. Viele Cub Cadet Ersatzteile halten wir ständig in unserem Lager für Sie bereit.


Qualitätsmanagement
Informieren Sie uns, wenn Sie einen Fehler gefunden haben.































