Einstellungen Computer

Cub Cadet LTX 1045 13WX91AT056 (2014) Mähwerk T (46"/117cm) Ersatzteile

Mähwerk T (46"/117cm) 13WX91AT056 (2014)

 Cub Cadet Rasentraktoren LTX 1045 13WX91AT056  (2014) Mähwerk T (46

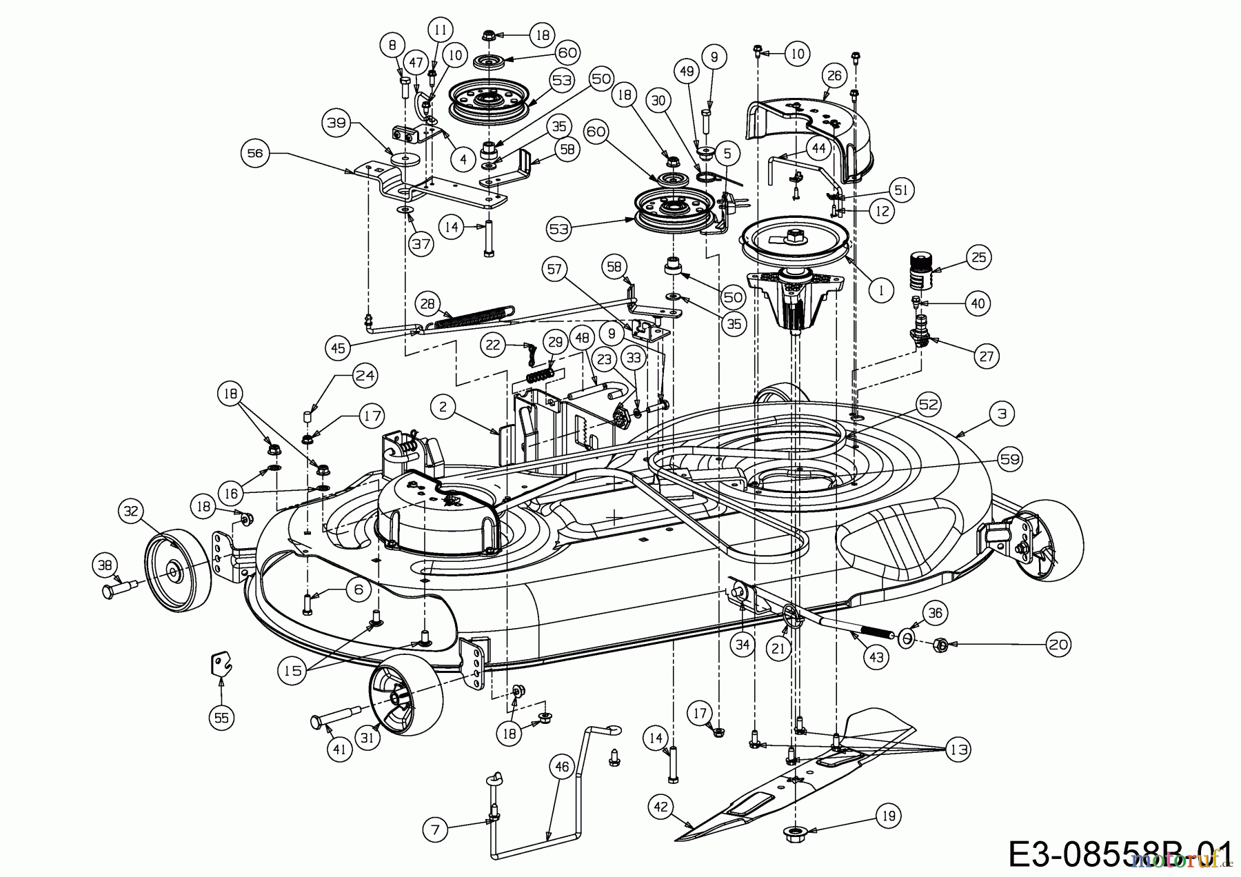
Hier finden Sie die Ersatzteilzeichnung für Cub Cadet Rasentraktoren LTX 1045 13WX91AT056 (2014) Mähwerk T (46"/117cm). Wählen Sie das benötigte Ersatzteil aus der Ersatzteilliste Ihres Cub Cadet Gerätes aus und bestellen Sie einfach online. Viele Cub Cadet Ersatzteile halten wir ständig in unserem Lager für Sie bereit.

BildNrArtikel NummerBezeichnung
1 Cub Cadet MESSERSPINDEL VST:RIEMENSCHEIB618-04865AMESSERSPINDEL VST:RIEMENSCHEIB
2 683-0254BHALTER VOLLST:DECKAUFHÄNGUNG
3 683-04468B
4 683-04511BREMSE VOLLST:DECK:42/46
5 683-04525BREMSE VOLLST:DECK:46"
6 Cub Cadet 6KT-SCHR:5/16-18:1.00:GR5:STD710-03766KT-SCHR:5/16-18:1.00:GR5:STD
7 Cub Cadet 6KT-SCHRAUBE:TT:5/16-18:.750710-044846KT-SCHRAUBE:TT:5/16-18:.750
8 Cub Cadet 6KT-SCHR:3/8-16:1.00:GR5:STD710-05146KT-SCHR:3/8-16:1.00:GR5:STD
9 Cub Cadet 6KT-SCHR:5/16-18:1.25:GR5:STD710-05286KT-SCHR:5/16-18:1.25:GR5:STD
10 Cub Cadet 6KT-SCHRAUBE:TT:1/4-20:0.500710-05996KT-SCHRAUBE:TT:1/4-20:0.500
11 Cub Cadet 6KT-BLECHSCHR:TT:1/4-20:0.750710-06426KT-BLECHSCHR:TT:1/4-20:0.750
12 Cub Cadet 6KT-SCHR:B:#10-16:0.625:HX:SP710-10036KT-SCHR:B:#10-16:0.625:HX:SP
13 Cub Cadet 6KT-SCHR:TT:5/16-18:.750710-1260A6KT-SCHR:TT:5/16-18:.750
14 Cub Cadet 6KT-SCHR.3/8-16:2.00:GR5:STD710-31446KT-SCHR.3/8-16:2.00:GR5:STD
15 Cub Cadet FL-RD-SCHRAUBE:3/8-16:0.75:GR5710-3178FL-RD-SCHRAUBE:3/8-16:0.75:GR5
16 Cub Cadet KLEMMSCHEIBE:3/8712-0229KLEMMSCHEIBE:3/8
17 Cub Cadet 6KT-BUNDMUTTER:5/16-18:NYLON712-040636KT-BUNDMUTTER:5/16-18:NYLON
18 Cub Cadet S-6KT-BUNDMUTTER 3/8-16:NYLON712-04065S-6KT-BUNDMUTTER 3/8-16:NYLON
19 Cub Cadet 6KT-BUNDMUTTER:5/8-18712-0417A6KT-BUNDMUTTER:5/8-18
20 Cub Cadet 6KT-MUTTER:1/2-13:PATCH HD712-050466KT-MUTTER:1/2-13:PATCH HD
21 714-0220AFEDERSTIFT:.1875
22 Cub Cadet FEDERSTECKER714-04040FEDERSTECKER
23 Cub Cadet ZAHNRAD:Z10:DECKEINSTELLUNG717-04074ZAHNRAD:Z10:DECKEINSTELLUNG
24 720-05010ABDECKKAPPE:END: .290 x .500
25 721-04041ADAPTER:WASCHDÜSE
26 731-06496KEILRIEMENABDECKUNG:UNIVERSAL
27 731-07487DÜSE:DECKREINIGUNG
28 Cub Cadet ZUGFEDER:.62 DIA x 6.12 LG732-0384ZUGFEDER:.62 DIA x 6.12 LG
29 Cub Cadet DRUCKFEDER:.535 OD x 1.751 LG732-04652DRUCKFEDER:.535 OD x 1.751 LG
30 732-04840SCHENKELFEDER:.992ID x 1.17OD
31 Cub Cadet DECKRAD:5.0 DIA:BALLFÖRMIG734-04155DECKRAD:5.0 DIA:BALLFÖRMIG
32 734-0973DECKRAD:5.0 x 1.38
33 Cub Cadet FEDERRING:5/16" NORMALAUSF.736-0119FEDERRING:5/16" NORMALAUSF.
34 736-0179SCHEIBE:FLACH:.531x1.250x.100
35 Cub Cadet SCHEIBE:FLACH:.385 x.870 x.092736-0262SCHEIBE:FLACH:.385 x.870 x.092
36 736-0317TELLERFEDER:.630x1.250x.180 *
37 736-0344SCHEIBE:FLACH:.385x1.000x.030
38 Cub Cadet SCHULTERSCHR:.496x1.525:3/8-16738-0373SCHULTERSCHR:.496x1.525:3/8-16
39 Cub Cadet BUNDSCHEIBE:.8840 x .190738-04162CBUNDSCHEIBE:.8840 x .190
40 Cub Cadet 6KT-SCHULTERSCHR:1/4-20:0.50738-042786KT-SCHULTERSCHR:1/4-20:0.50
41 Cub Cadet SCHULTERSCHR:.496x2.50:3/8-16738-3056SCHULTERSCHR:.496x2.50:3/8-16
42 Cub Cadet PROPELLERMESSER:23.25":2 IN 1742-04244APROPELLERMESSER:23.25":2 IN 1
43 747-04944BAUSHEBESTANGE:DECK:VORNE:KLEIN
44 747-05011STANGE:KEILRIEMENFÜHRUNG
45 747-05052ABREMSSTANGE MÄHDECK
46 747-05171AKEILRIEMENFÜHRUNG:DECK:42S-46T
47 747-05323STANGE:KEILRIEMENFÜHRUNG:42S/
48 Cub Cadet ABSTECKBÜGEL:DECKFREIGABE:.375747-1116ABSTECKBÜGEL:DECKFREIGABE:.375
49 748-04272
50 Cub Cadet BUNDBUCHSE:HEBELFÜHRUNG748-05029ABUNDBUCHSE:HEBELFÜHRUNG
51 751B221535BOWDENZUGBEFESTIGUNG B&S
52 754-04219KEILRIEMEN:V-TYP:A SECx103.24"
53 Cub Cadet SPANNROLLE:4.25" DIA:HD756-05042SPANNROLLE:4.25" DIA:HD
55 783-05219ANSCHLAG:AUSWURFKANAL 50"/54"
56 783-05946SPANNROLLENTRÄGER:PIVOT:46
57 783-06243
58 783-06368A
59 783-06643
60 Cub Cadet ABDECKBLECH:RD:SPANNROLLE:HD783-08389ABDECKBLECH:RD:SPANNROLLE:HD
Rasen
Bankeinzug, MasterCard, Visa, American Express, PayPal, Nachnahme, Vorauskasse, Sofortüberweisung
Datenschutzerklärung Impressum
Qualitätsmanagement
Informieren Sie uns, wenn Sie einen Fehler gefunden haben.