Toro 74582 (DH 210) - DH 210 Lawn Tractor, 2010 (310000001-310999999) AXLE SHAFT ASSEMBLY TRANSMISSION ASSEMBLY NO. 114-3155 Ersatzteile
AXLE SHAFT ASSEMBLY TRANSMISSION ASSEMBLY NO. 114-3155 74582 (DH 210) - Toro DH 210 Lawn Tractor, 2010 (310000001-310999999)

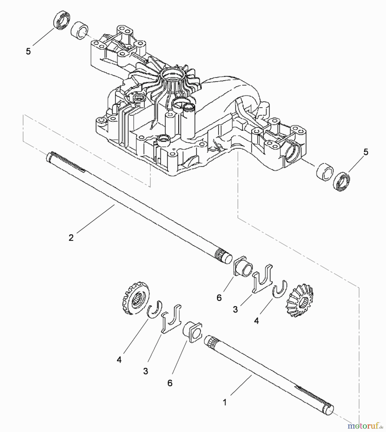
Hier finden Sie die Ersatzteilzeichnung für Toro Neu Mowers, Lawn & Garden Tractor Seite 1 74582 (DH 210) - Toro DH 210 Lawn Tractor, 2010 (310000001-310999999) AXLE SHAFT ASSEMBLY TRANSMISSION ASSEMBLY NO. 114-3155. Wählen Sie das benötigte Ersatzteil aus der Ersatzteilliste Ihres Toro Gerätes aus und bestellen Sie einfach online. Viele Toro Ersatzteile halten wir ständig in unserem Lager für Sie bereit.
| BildNr | Artikel Nummer | Bezeichnung | |
| 1 | TR104-3307 | Steckachse Rechts | |
| 2 | TR104-3308 | Steckachse Links | |
| 3 | TR104-3309 | WASHER-THRUST | |
| 4 | TR104-3310 | Sicherungsring | |
| 5 | TR104-3311 | Simmerring | |
| 6 | TR104-3312 | BUSHING | |


Qualitätsmanagement
Informieren Sie uns, wenn Sie einen Fehler gefunden haben.

