Einstellungen Computer

Toro 30162 - 62" Side Discharge Mower, 1993 (390001-399999) PULLEYS AND IDLER ASSEMBLY Ersatzteile

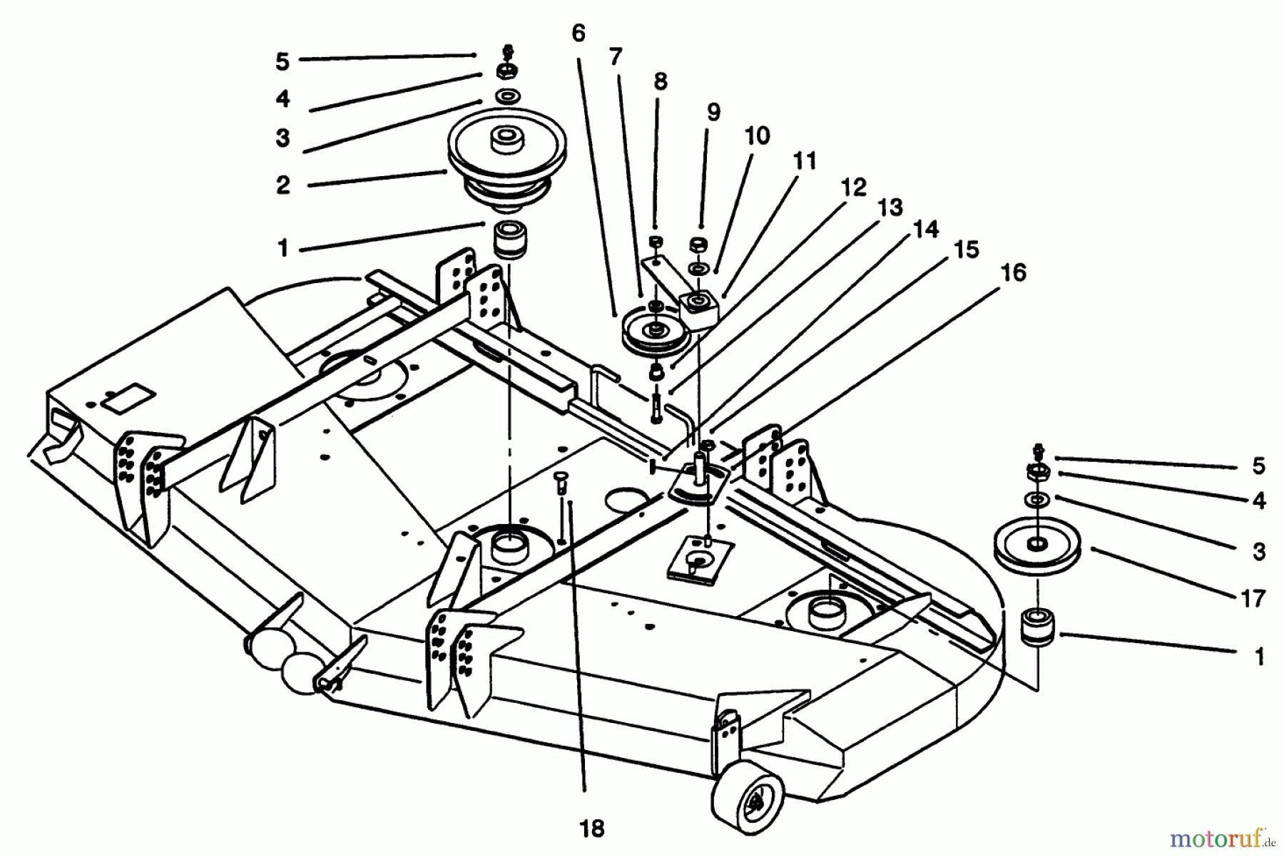
PULLEYS AND IDLER ASSEMBLY 30162 - Toro 62" Side Discharge Mower, 1993 (390001-399999)

 Toro Neu Mowers, Deck Assembly Only 30162 - Toro 62

Hier finden Sie die Ersatzteilzeichnung für Toro Neu Mowers, Deck Assembly Only 30162 - Toro 62" Side Discharge Mower, 1993 (390001-399999) PULLEYS AND IDLER ASSEMBLY. Wählen Sie das benötigte Ersatzteil aus der Ersatzteilliste Ihres Toro Gerätes aus und bestellen Sie einfach online. Viele Toro Ersatzteile halten wir ständig in unserem Lager für Sie bereit.

Rasen
Bankeinzug, MasterCard, Visa, American Express, PayPal, Nachnahme, Vorauskasse, Sofortüberweisung
Datenschutzerklärung Impressum