Tanaka THT-240 - Hedge Trimmer Engine Ersatzteile
Engine THT-240 - Tanaka Hedge Trimmer

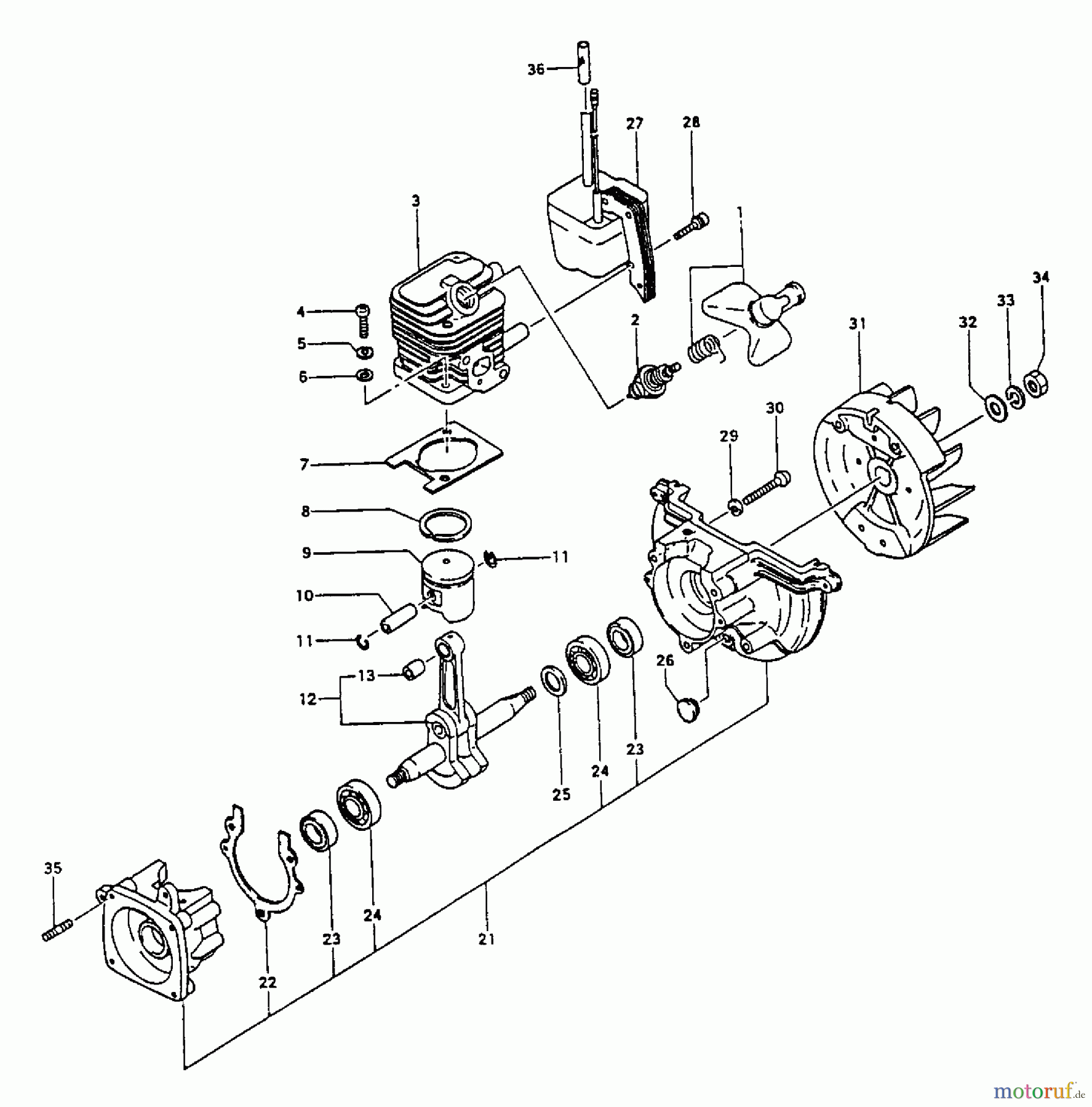
Hier finden Sie die Ersatzteilzeichnung für Tanaka Heckenscheeren THT-240 - Tanaka Hedge Trimmer Engine. Wählen Sie das benötigte Ersatzteil aus der Ersatzteilliste Ihres Tanaka Gerätes aus und bestellen Sie einfach online. Viele Tanaka Ersatzteile halten wir ständig in unserem Lager für Sie bereit.


Qualitätsmanagement
Informieren Sie uns, wenn Sie einen Fehler gefunden haben.



