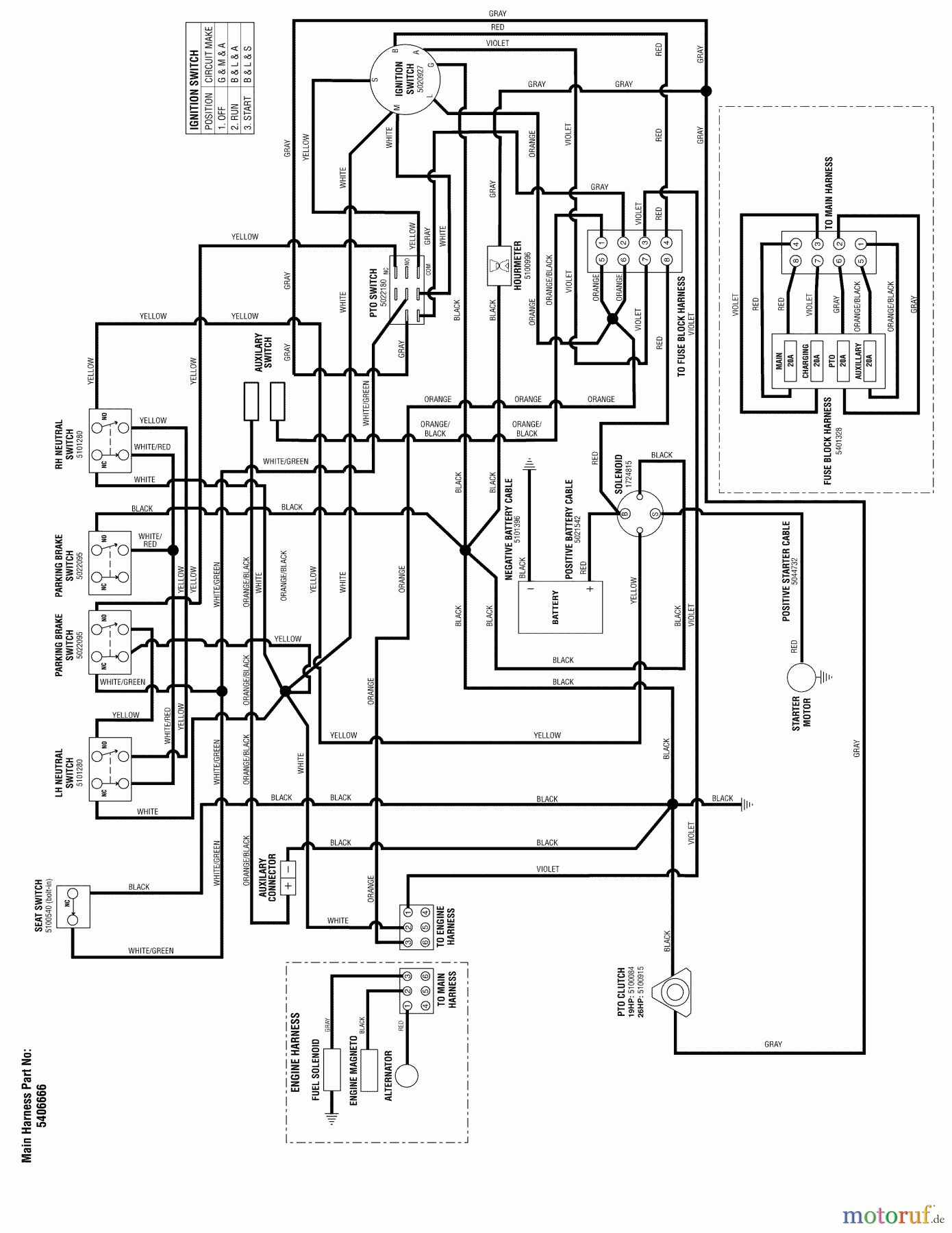
Snapper 400ZB2748 (5900528) - 48" Zero-Turn Mower, ZTR 400Z Series Wiring Schematic - 400Z Series S/N: 2016499706 & Below Ersatzteile
Wiring Schematic - 400Z Series S/N: 2016499706 & Below 400ZB2748 (5900528) - Snapper 48" Zero-Turn Mower, ZTR 400Z Series

Hier finden Sie die Ersatzteilzeichnung für Snapper Nullwendekreismäher, Zero-Turn 400ZB2748 (5900528) - Snapper 48" Zero-Turn Mower, ZTR 400Z Series Wiring Schematic - 400Z Series S/N: 2016499706 & Below. Wählen Sie das benötigte Ersatzteil aus der Ersatzteilliste Ihres Snapper Gerätes aus und bestellen Sie einfach online. Viele Snapper Ersatzteile halten wir ständig in unserem Lager für Sie bereit.
| BildNr | Artikel Nummer | Bezeichnung | |
| -- | BS5406666YP | WIRE HARNESS | |


Qualitätsmanagement
Informieren Sie uns, wenn Sie einen Fehler gefunden haben.

