Einstellungen Computer

Murray 309000x8C - Scotts 30" Mid-Engine Rider (2005) (Home Depot) Motion Drive Ersatzteile

Motion Drive 309000x8C - Scotts 30" Mid-Engine Rider (2005) (Home Depot)

 Murray Reitermäher 309000x8C - Scotts 30

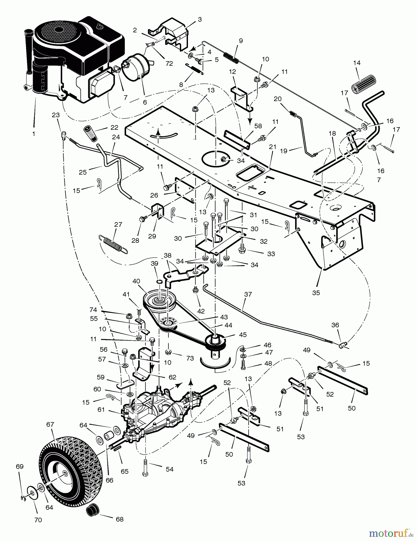
Hier finden Sie die Ersatzteilzeichnung für Murray Reitermäher 309000x8C - Scotts 30" Mid-Engine Rider (2005) (Home Depot) Motion Drive. Wählen Sie das benötigte Ersatzteil aus der Ersatzteilliste Ihres Murray Gerätes aus und bestellen Sie einfach online. Viele Murray Ersatzteile halten wir ständig in unserem Lager für Sie bereit.

BildNrArtikel NummerBezeichnung
1 BSEingangswelle UE 600
2 BS01X134MABOLT-HEX.31-18X4.12 O
3 BS1401207
4 BS018X32MAWASHER.25.48X.07 SPLI
5 BS0025X2MASCREW-TRI.25-20X .50
6 BS1401251MASCHALLDAEMPFER & ABGASROHR
7 BS692236AUSPUFFDICHTUNG
8 BS165X75MASPRING,EXTENSION
9 BS165X148MAFEDERHEBEL
10 Murray NUT,CENTERLOCK  Z  .3BS015X88MANUT,CENTERLOCK Z .3
11 BS26X249MASCREW-.312-18X.75
12 BS1401068E701
13 BS015X84MAMUTTER, CENTERLOCK .38-
14 BS021544MACLUTCH & BRAKE PEDAL
15 BS0031X4MAPIN, HAIR .56D - .09
16 BS017X53MAWASHER.41.82 16G FLT
17 BS030X20MAPIN-COTTER.09D-.750L
18 BS1401127E701MAWS ASM. PEDAL C/B
19 BS1401112MAGRIFF, FESTSTELLBREMSE
20 BS091079MAGRIP-BLACK .207 ID X
21 BS1401298E701
22 BS094198MAGRIP-SHIFT LEVER-.437
23 BS1401148ZMAEINSTELLMUTTER
24 BS1401122MALINK, DRIVE
25 BS1401355MAUMSCHALTGESTAENGE
26 BS1401032E701MABRACKET, LIFT PIVOT
27 BS165X147MASPRING, EXT
28 BS009X39MAANSATZBOLZEN .38-16 X .
29 BS1401043E701MAHALTER ABDECKUNG
30 BS1401104MAFUHRUNG ANTRIEBSRIEMEN KURZ
31 BS1401105MAGUIDE, BELT LONG
32 BS1401057E701MABLECH, RIEMENFUHRUNG
33 BS0025X7MAMOTORBOLZEN 3/8 X 1.25
34 BS015X79MANUT.31-18 FLANGELOCK
35 BS1401059E701MAHALTEWINKELAUFLAGE
36 BS094815ZMANUT-ADJUSTING
37 BS1401078MAKUPPLUNGSSTANGE
38 BS1401128E701MAKUPPLUNG,ARM,ASSY
39 BS0011X7MASPRENGRING/SEEGERRING.625D.035
40 BS1401077MARIEMENSCHEIBE, 5.44 DIA. FLA
41 BS002X53MABOLT,CRG .31-18 X 0.
42 BS009X39MAANSATZBOLZEN .38-16 X .
43 BS1401252MAUMLENKROLLE - B/D
44 BS37X110MABELT, 4L MOTION DRIVE
45 BS1401066MAPULLEY,STACK SPLIT ST
46 BS019X35MAWASHER.43-0.74 X.04 S
47 BS17X170MAWASHER.46.97.25 FLAT
48 BS01X140MASECHSKANTBOLZEN.43-20X1.50 Z
49 BS17X102MAUNTERLEGSCHEIBE-MAHER
50 BS1401031E701MAARM HINTEN; RUCKARM
51 BS1401039E701MAHALTERUNG/KONSOLE, HINTEN HANG
52 BS094067MAANSATZGEWINDESTIFT
53 BS01X155MABOLT-HEX.31-18X2.50 P
54 BS01X120MABOLT-HEX.31-18X2.00 Z
55 BS1401051E701MAKONSOLE,DREHMOMENT REACTO
56 BS06X105MACAP SCREW 1/4-28 (AR
57 BS017X38MAUNTERLEGSCHEIBE.26.75 16G FLT
58 BS1401260E701MAVERSTARKUNGSBLECH
59 BS1401351ZMAGABELVERSTELLUNG
60 BS17X148MAUNTERLEGSCHEIBE.38 SQ 1. 16G F
61 BSEingangswelle UE 600
62 BS1401042E701MAHALTER, STUFENLOSES GETRIEBE,
64 BS17X160MAWASHER.76-1.2 16G FL
65 BS056534MAVIERKANTSCHLUSSEL
66 BS1401364ZMAABSTANDBUCHSE
67 BS1401120MAHINTERRAD 15"
68 Murray HUB CAPBS094618MAHUB CAP
69 BS0011X3MARING,E .750D .050T
70 BS17X195MAUNTERLEGSCHEIBE
72 BS092378MASCHRAUBENVERSCHLUSS 223016
73 BS015X98MAMUTTER.38-16 FLANSCHARRETIERUN
74 BS015X43MANUT .31-18 ST OVERLOC
Rasen
Bankeinzug, MasterCard, Visa, American Express, PayPal, Nachnahme, Vorauskasse, Sofortüberweisung
Datenschutzerklärung Impressum
Qualitätsmanagement
Informieren Sie uns, wenn Sie einen Fehler gefunden haben.