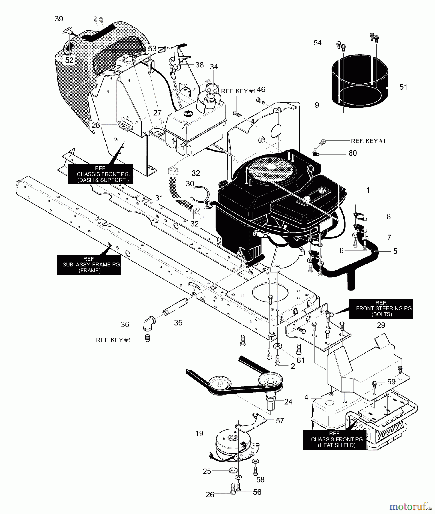
Murray 50572x89A - Yard King Performance 50" Lawn Tractor (2000) Engine And Control Assembly Ersatzteile
Engine And Control Assembly 50572x89A - Yard King Performance 50" Lawn Tractor (2000)

Hier finden Sie die Ersatzteilzeichnung für Murray Rasen- und Gartentraktoren 50572x89A - Yard King Performance 50" Lawn Tractor (2000) Engine And Control Assembly. Wählen Sie das benötigte Ersatzteil aus der Ersatzteilliste Ihres Murray Gerätes aus und bestellen Sie einfach online. Viele Murray Ersatzteile halten wir ständig in unserem Lager für Sie bereit.


Qualitätsmanagement
Informieren Sie uns, wenn Sie einen Fehler gefunden haben.

