Einstellungen Computer

Murray 465602x8B - Scotts 46" Lawn Tractor (2001) (Home Depot) Mower Housing Suspension Ersatzteile

Mower Housing Suspension 465602x8B - Scotts 46" Lawn Tractor (2001) (Home Depot)

 Murray Rasen- und Gartentraktoren 465602x8B - Scotts 46

Hier finden Sie die Ersatzteilzeichnung für Murray Rasen- und Gartentraktoren 465602x8B - Scotts 46" Lawn Tractor (2001) (Home Depot) Mower Housing Suspension. Wählen Sie das benötigte Ersatzteil aus der Ersatzteilliste Ihres Murray Gerätes aus und bestellen Sie einfach online. Viele Murray Ersatzteile halten wir ständig in unserem Lager für Sie bereit.

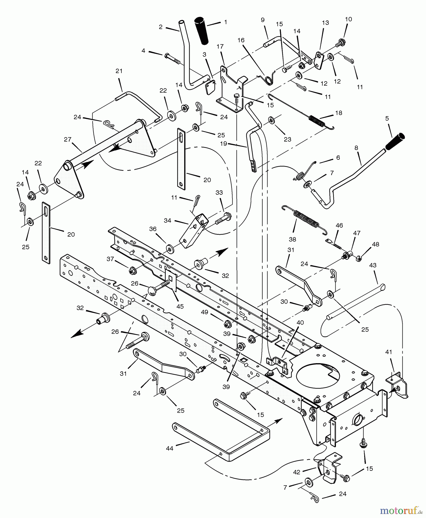
BildNrArtikel NummerBezeichnung
1 BS092698MAGRIFF - .625 ID- SCHWARZ
2 BS094217ZMAPTO GRIFF - 3520/30
3 BS094022ZMAPADDLE-SWITCH
4 BS0025X3MASCHRAUBE-THD.FORM.HEX.
5 BS092697MAGRIP - .50 ID - BLACK
6 BS166X40MATORSIONSFEDER LINKS
7 BS17X103MAUNTERLEGSCHEIBE.53X1X.12 FLAT
8 BS690533MAHANDLE, LIFT
9 BS094017ZMALEVER - PTO
10 BS009X39MAANSATZBOLZEN .38-16 X .
11 BS030X20MAPIN-COTTER.09D-.750L
12 BS17X102MAUNTERLEGSCHEIBE-MAHER
13 BS094004ZMAPTO LINK
14 BS015X84MAMUTTER, CENTERLOCK .38-
15 BS26X249MASCREW-.312-18X.75
16 BS166X39MATORSIONSFEDER PTO
17 BS094018E701MAHALTERUNG-PTO
18 BS165X120MAZUGFEDER
19 BS690394E701MACRANK, PTO
20 BS690212E701MALIFT LINK (LT)
21 BS690122E701MALIFT HANDLE LINK
22 BS17X168ZMAUNTERLEGSCHEIBE.39-1.2-.11 FL
23 BS017X57MAUNTERLEGSCHEIBE.47.72 16G FLT
24 BS0031X4MAPIN, HAIR .56D - .09
25 BS017X91MAWASHER,FLAT .54.81
26 BS002X85MABOLT-CRG.37-16X2.25
27 BS1001111E701MAVERSTELLHEBEL KLOMPL.
30 BS094067MAANSATZGEWINDESTIFT
31 BS094055E701MAHALTER HECKAUFHANGUNG/HECKFEDE
32 BS690151MASPACER - LIFTER
33 BS009X53MABOLT,SHD .38-16X.565
34 BS094015E701MABRACKET-PIVOT
36 BS17X191MAUNTERLEGSCHEIBE - VORNUT
37 BS015X84MAMUTTER, CENTERLOCK .38-
38 BS165X133MASPRING-EXTENSION (LIF
39 BS015X68MAMUTTER.38-16 FLANSCHARRETIERUN
40 BS094005E701MAKULISSENBREMSE
41 BS094027E701MAHANGER - DECK LH
42 BS094026E701MAHANGER - DECK RH
43 BS094158ZMAROD - HANGAR
44 BS690539E701MABRKT-FRT SUSPENSION
45 BS1001098E701MAPLATTE VERSTEIFUNG
46 BS094042ZMAFEDERBOLZEN MTG.
47 BS690182MASTUD - SWIVEL
48 BS015X79MANUT.31-18 FLANGELOCK
49 BS015X84MAMUTTER, CENTERLOCK .38-
Rasen
Bankeinzug, MasterCard, Visa, American Express, PayPal, Nachnahme, Vorauskasse, Sofortüberweisung
Datenschutzerklärung Impressum
Qualitätsmanagement
Informieren Sie uns, wenn Sie einen Fehler gefunden haben.