Einstellungen Computer

Cub Cadet XZ7 L122 ULTIMA 47AIAAA6603 (2022) Motorzubehör Ersatzteile

Motorzubehör 47AIAAA6603 (2022)

 Cub Cadet Zero Turn XZ7 L122 ULTIMA 47AIAAA6603 (2022) Motorzubehör

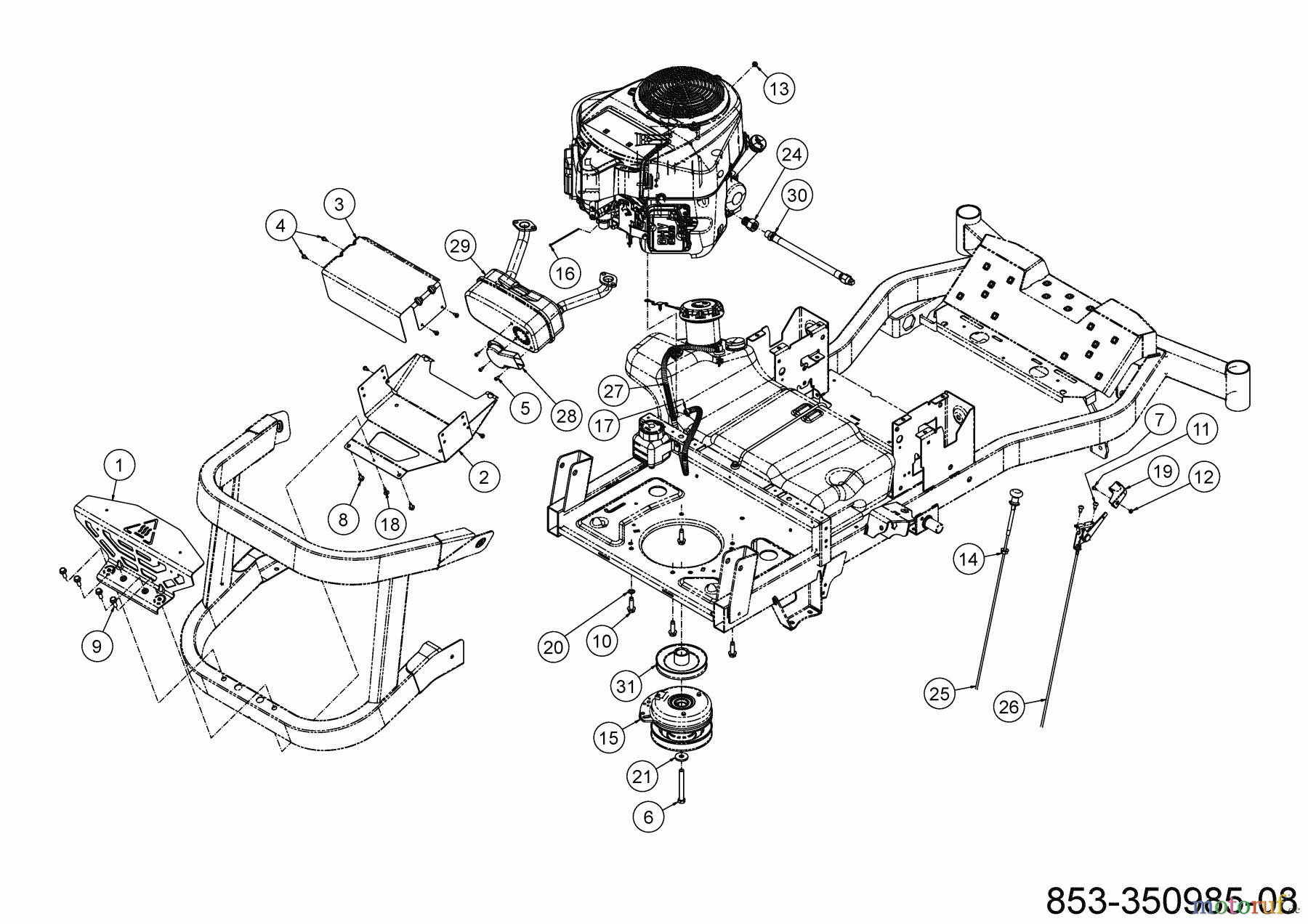
Hier finden Sie die Ersatzteilzeichnung für Cub Cadet Zero Turn XZ7 L122 ULTIMA 47AIAAA6603 (2022) Motorzubehör. Wählen Sie das benötigte Ersatzteil aus der Ersatzteilliste Ihres Cub Cadet Gerätes aus und bestellen Sie einfach online. Viele Cub Cadet Ersatzteile halten wir ständig in unserem Lager für Sie bereit.

Rasen
Bankeinzug, MasterCard, Visa, American Express, PayPal, Nachnahme, Vorauskasse, Sofortüberweisung
Datenschutzerklärung Impressum
Qualitätsmanagement
Informieren Sie uns, wenn Sie einen Fehler gefunden haben.