Einstellungen Computer

Echo PAS-2100 - Power Unit, S/N: 001001 & Up (Type 1E) Driveshaft, Coupling, Handles, Throttle, Stop Switch Ersatzteile

Driveshaft, Coupling, Handles, Throttle, Stop Switch PAS-2100 - Echo Power Unit, S/N: 001001 & Up (Type 1E)

 Echo Trimmer, Faden / Bürste PAS-2100 - Echo Power Unit, S/N: 001001 & Up (Type 1E) Driveshaft, Coupling, Handles, Throttle, Stop Switch

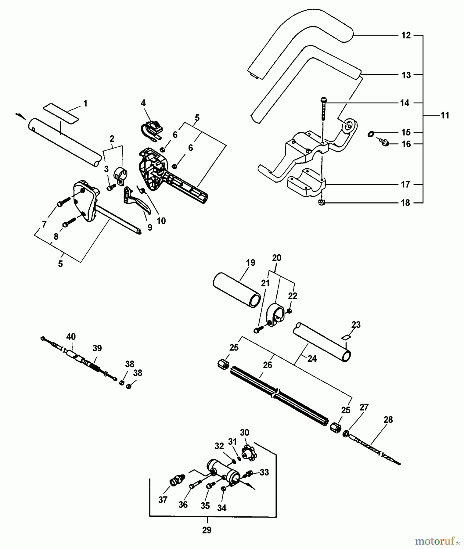
Hier finden Sie die Ersatzteilzeichnung für Echo Trimmer, Faden / Bürste PAS-2100 - Echo Power Unit, S/N: 001001 & Up (Type 1E) Driveshaft, Coupling, Handles, Throttle, Stop Switch. Wählen Sie das benötigte Ersatzteil aus der Ersatzteilliste Ihres Echo Gerätes aus und bestellen Sie einfach online. Viele Echo Ersatzteile halten wir ständig in unserem Lager für Sie bereit.

BildNrArtikel NummerBezeichnung
1 1689022809560
2 16-301200-29431Aufhänger
3 16-900242-05014Schraube(Eisen) CS-3500, SRM
4 16-163401-55631Stop-Schalter PPT-2100,PPT-
5 16-178003-52130Plastikgehäuse, Gasgriff o.
6 16-900500-00005Mutter PPT-300ES/T-226 EDR-
7 16-900242-05035Schraube SRM 4000 L/ 5000 L
8 Echo Schraube CS-3500, HCA-2500,16-900242-05025Schraube CS-3500, HCA-2500,
9 16-178010-52130Gashebel SRM-5000 SRM-4000,
10 16-178043-42230Feder SRM-4000L/SRM-5000L
11 16P021000000
12 16-351216-66230Griffpolster PAS-2400
13 16-351205-66230Griffrohr vord. Handgriff PAS-
14 16-900242-05035Schraube SRM 4000 L/ 5000 L
15 16-900600-00005Scheibe PB-500/452GS/DH2200ST
16 16-889950-21060Schraube 5 PB-500
17 16-C423-000300Griffhalter (25) RMA-2530/ESR-
18 16-900500-00005Mutter PPT-300ES/T-226 EDR-
19 16-351213-52130Handgriffgummi HCA-2400 HCA-
20 16-610272-52130Schelle HCA-2500, PAS-2400,
21 16-900242-05028Schraube
22 16-900500-00005Mutter PPT-300ES/T-226 EDR-
23 16-890152-04930Aufkleber
24 16-610206-56730oberes Gestänge SRM 2100SB
25 16-610246-44730Führung HCA-2400
26 16-C507-000230Führung, flexible Welle
27 16-100251-56630Gummipuffer HC-30ES
28 16-610013-55630obere Welle SRM 2100SB
29 1661060156731
30 16-V299-000100Gasfeststellknopf SRM-2100SB
31 16-900605-00005Scheibe PB-250/EC-7600
32 16-900600-00005Scheibe PB-500/452GS/DH2200ST
33 16-900142-05030Schraube 5x30 mit Scheibe und
34 16-900500-00005Mutter PPT-300ES/T-226 EDR-
35 16-900242-05012Schraube
36 16-900100-05035Schraube
37 16-178302-56630Einrastknopf SRM-2100SB
38 16-900502-00006Mutter SRMF-340 6 (3N)
39 16-178001-56730Gaszug GT-2400/HCA-2400/SRM-
40 16-178127-50330Tülle
Rasen
Bankeinzug, MasterCard, Visa, American Express, PayPal, Nachnahme, Vorauskasse, Sofortüberweisung
Datenschutzerklärung Impressum
Qualitätsmanagement
Informieren Sie uns, wenn Sie einen Fehler gefunden haben.