Cub Cadet CC 1016 KHG 13AG91AG603 (2012) Pedale Ersatzteile
Pedale 13AG91AG603 (2012)

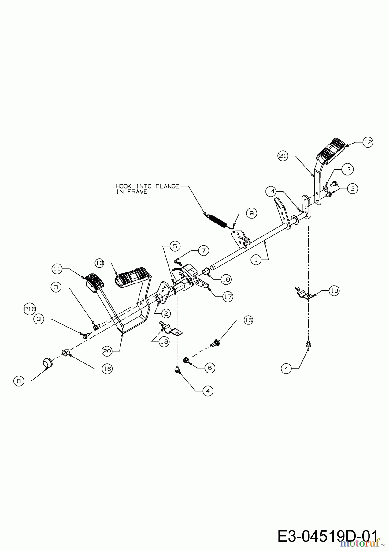
Hier finden Sie die Ersatzteilzeichnung für Cub Cadet Rasentraktoren CC 1016 KHG 13AG91AG603 (2012) Pedale. Wählen Sie das benötigte Ersatzteil aus der Ersatzteilliste Ihres Cub Cadet Gerätes aus und bestellen Sie einfach online. Viele Cub Cadet Ersatzteile halten wir ständig in unserem Lager für Sie bereit.


Qualitätsmanagement
Informieren Sie uns, wenn Sie einen Fehler gefunden haben.









