Einstellungen Computer

Dolmar Benzin PM-4860 S PM-4860 S (2008-2010) 11 PM-4860 S Ersatzteile

11 PM-4860 S PM-4860 S (2008-2010)

 Dolmar Rasenmäher Benzin PM-4860 S PM-4860 S (2008-2010) 11  PM-4860 S

Hier finden Sie die Ersatzteilzeichnung für Dolmar Rasenmäher Benzin PM-4860 S PM-4860 S (2008-2010) 11 PM-4860 S. Wählen Sie das benötigte Ersatzteil aus der Ersatzteilliste Ihres Dolmar Gerätes aus und bestellen Sie einfach online. Viele Dolmar Ersatzteile halten wir ständig in unserem Lager für Sie bereit.

Häufig benötigte Dolmar Benzin PM-4860 S PM-4860 S (2008-2010) 11 PM-4860 S Ersatzteile

KUGELLAGER
Artikelnummer: DR664122200
Suche nach: 664122200
Hersteller: Dolmar
Dolmar Ersatzteil 11 PM-4860 S
5.10 €
für EU incl. MwSt., zzgl. Versand
BUCHSE
Artikelnummer: DR664038407
Suche nach: 664038407
Hersteller: Dolmar
Dolmar Ersatzteil 11 PM-4860 S
3.75 €
für EU incl. MwSt., zzgl. Versand
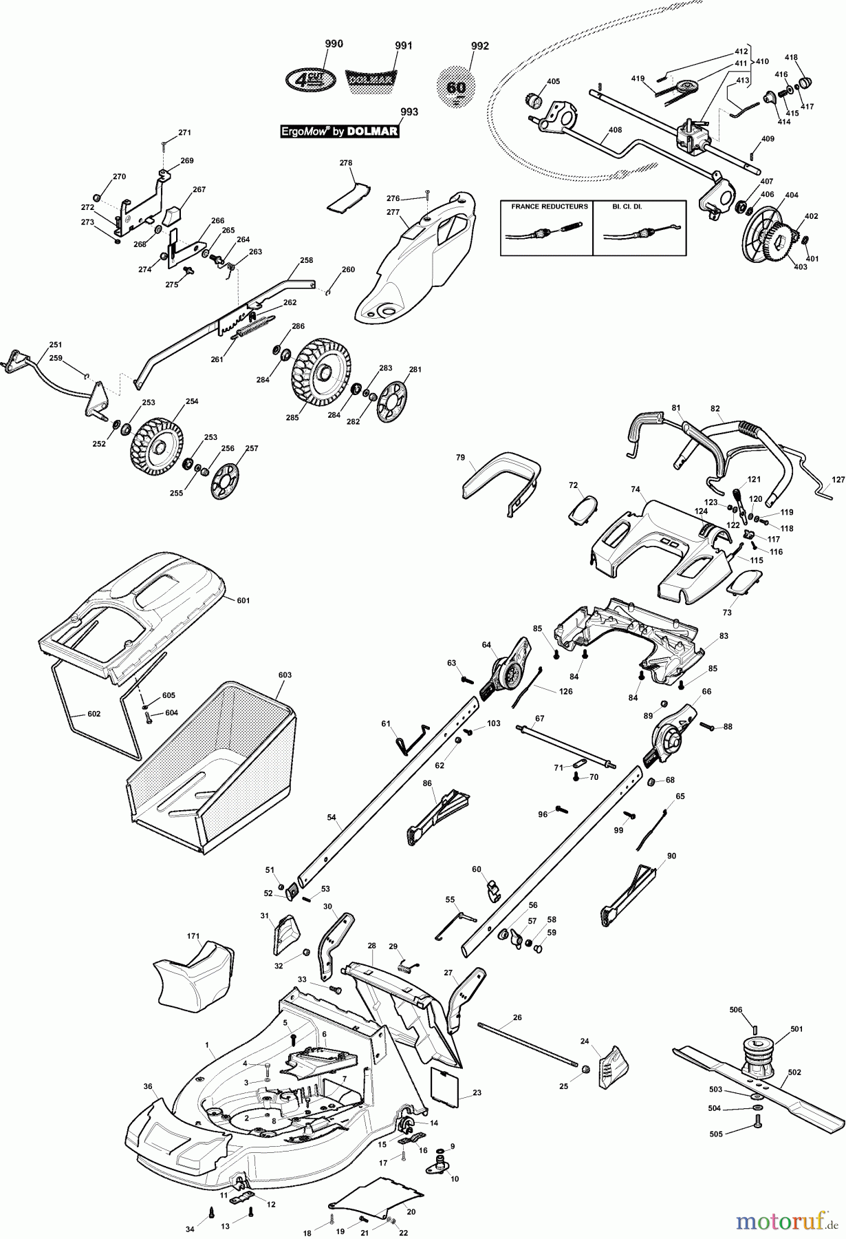
BildNrArtikel NummerBezeichnung
1 664003506DECK ROT
2 664155000MUTTER
3 664521350SCHEIBE
4 664691800SCHRAUBE
5 664728522SCHRAUBE
6 664060221SCHUTZ
7 664729600SCHRAUBE
8 664523040SCHEIBE
9 664035000O-RING
10 664034000SCHLAUCHANSCHLUSS
11 664038400BUCHSE
12 664545156PLATTE
13 664731350SCHRAUBE
14 Dolmar BUCHSE 664038407BUCHSE
15 664038399BUCHSE
16 664545147PLATTE
17 664731350SCHRAUBE
18 664729600SCHRAUBE
19 664789000SCHRAUBE
20 664028576ABDECKBLECH
21 664523020SCHEIBE
22 664154330MUTTER
23 664595352ABDECKPLATTE
24 664601003SCHUTZ
25 664155000MUTTER
26 664517856BOLZEN
27 664778397HALTER, LINKS
28 Dolmar PRALLBLECH 664008050PRALLBLECH
29 664451000FEDER
30 664778396HALTER, RECHTS
31 664998002SCHUTZ
32 664155000MUTTER
33 664793301SCHRAUBE
34 664735420SCHRAUBE
36 664226109MASKE
51 664154510MUTTER
52 664820071GUMMISTOPFEN
53 664789450SCHRAUBE
54 664498111HOLM
55 664003805FEDER
56 664680012SCHEIBE
57 664399821GRIFF
58 664293200MUTTER
59 664999072GUMMISTOPFEN
60 664192003KABELBEFESTIGUNG
61 664999316FEDER
62 664154330MUTTER
63 664728698SCHRAUBE
64 664745003GELENK
65 664000752BOWDENZUG, MOTORBREMSE
65 664030019BOWDENZUG, MOTORBREMSE
66 664745004GELENK
67 664999537VERSTÄRKUNG
68 664293201MUTTER
70 664728696SCHRAUBE
71 664981471PLÄTTCHEN
72 664998161DECKEL
73 664557162DECKEL
74 664999186KONSOLE
79 664109544SCHUTZ
81 664003327HEBEL, MOTORBREMSE
82 664006670HANDGRIFF
83 664109546DECKEL
84 664728695SCHRAUBE
85 664728696SCHRAUBE
86 664060225SCHUTZ
88 664727799SCHRAUBE
89 664154510MUTTER
90 664060226SCHUTZ
96 664728526SCHRAUBE
99 664728698SCHRAUBE
103 664728526SCHRAUBE
115 Dolmar BOWDENZUG (FERNBEDIENUNG) 664007160BOWDENZUG (FERNBEDIENUNG)
116 664735105SCHRAUBE
117 664981467PLATTE
118 664791500SCHRAUBE
119 664530060SCHEIBE
120 664523040SCHEIBE
121 664999225HEBEL, BESCHLEUNIGER
122 664523040SCHEIBE
123 664154510MUTTER
124 664999912SCHILD
126 Dolmar BOWDENZUG, ANTRIEB (BI. CI. DI.)664030015BOWDENZUG, ANTRIEB (BI. CI. DI.)
126 Dolmar BOWDENZUG, ANTRIEB (FRANCE REDUCTEURS)664030023BOWDENZUG, ANTRIEB (FRANCE REDUCTEURS)
127 664003328HEBEL, ANTRIEB
171 664140224MULCHKEIL 48/53 CM
251 664002801ACHSE, VORDERRAD
252 664530150FEDERSCHEIBE
253 Dolmar KUGELLAGER 664122200KUGELLAGER
254 664007317RAD
255 664521350SCHEIBE
256 664155000MUTTER
257 664110503RADKAPPE ROT
258 664001137STANGE, HÖHENVERSTELLUNG
259 664000930SPRENGRING 6
260 664000930SPRENGRING 6
261 664446187FEDER
262 664999050PLÄTTCHEN
263 664446176FEDER
264 664517880BOLZEN
265 664672152SCHEIBE
266 664322829HEBEL, HÖHENVERSTELLUNG
267 664602000STEUERHEBEL, DRUCK
268 664672151SCHEIBE
269 664785115HALTER
270 664155000MUTTER
271 664729600SCHRAUBE
272 664793101SCHRAUBE M8X16
273 664293201MUTTER
274 664154510MUTTER
275 664519746BOLZEN
276 664728520SCHRAUBE
277 664060146GEHÄUSE
278 664546070PLATTE
281 664110504RADKAPPE ROT
282 664155000MUTTER
283 664521350SCHEIBE
284 Dolmar KUGELLAGER 664122200KUGELLAGER
285 664007318RAD
286 664530150FEDERSCHEIBE
401 Dolmar SICHERUNGSRING 664608600SICHERUNGSRING
402 664570120RITZEL LINKS
403 664120105ZAHNRAD
404 664600091SCHUTZ, RÄDER
405 664570110RITZEL RECHTS
406 Dolmar SICHERUNGSRING 664608600SICHERUNGSRING
407 Dolmar LAGER 664216035LAGER
408 664002811ACHSE, HINTERRAD
409 664753000STIFT
410 664003079ANTRIEB (FRANCE REDUCTEURS)
410 664003082ANTRIEB (GRAU) (BI. CI. DI.)
411 664601909RIEMENSCHEIBE
412 664645705STIFT
413 664033281VERSTELLHEBEL
414 664041957BUCHSE
415 Dolmar FEDER 664450063FEDER
416 664680009SCHEIBE
417 664154510MUTTER
418 Dolmar NABENDECKEL 664110230NABENDECKEL
419 664064150KEILRIEMEN
501 Dolmar MESSERHALTER 664465607MESSERHALTER
502 664004366MULCHMESSER
503 Dolmar FEDERSCHEIBE 664160400FEDERSCHEIBE
504 664523080SCHEIBE
505 664735698SCHRAUBE
506 664139100KEIL
601 664486102KORB, OBERTEIL
602 664608526VERSTÄRKUNG
603 664002212SACK, TUCH
604 664728680SCHRAUBE
605 664523050SCHEIBE
990 664361654SCHILD
991 664361627SCHILD PM-4860 S
992 664363966SCHILD
993 664361515SCHILD
Rasen
Bankeinzug, MasterCard, Visa, American Express, PayPal, Nachnahme, Vorauskasse, Sofortüberweisung
Datenschutzerklärung Impressum
Qualitätsmanagement
Informieren Sie uns, wenn Sie einen Fehler gefunden haben.