Einstellungen Computer

Dolmar Benzin PB-250.4 6 Vergaser Ersatzteile

6 Vergaser PB-250.4

 Dolmar Blasgeräte Benzin PB-250.4 6  Vergaser

Hier finden Sie die Ersatzteilzeichnung für Dolmar Blasgeräte Benzin PB-250.4 6 Vergaser. Wählen Sie das benötigte Ersatzteil aus der Ersatzteilliste Ihres Dolmar Gerätes aus und bestellen Sie einfach online. Viele Dolmar Ersatzteile halten wir ständig in unserem Lager für Sie bereit.

Häufig benötigte Dolmar Benzin PB-250.4 6 Vergaser Ersatzteile

PRIMER PUMPE
Artikelnummer: DR424314-7
Suche nach: 424314-7
Hersteller: Dolmar
Dolmar Ersatzteil 6 Vergaser
4.79 €
für EU incl. MwSt., zzgl. Versand
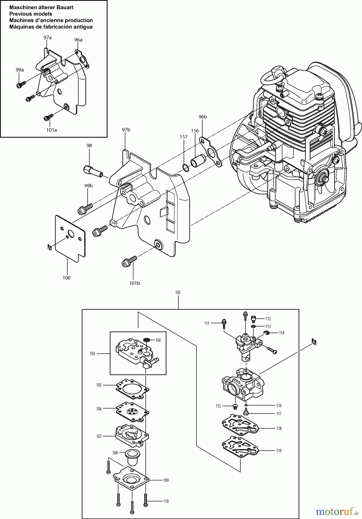
BildNrArtikel NummerBezeichnung
96a 367350180DICHTUNG
96b 413120-5DICHTUNG F. ZWISCHENFLANSCH
97a 381301300ZWISCHENFLANSCH
97b 388125916ZWISCHENFLANSCH KPL.
98 367325934STELLSCHRAUBE
99b 0119059870SCHRAUBE M5X18
99a 3679222176KT-SCHRAUBE M5X14
100 413138-6DICHTUNG
101a 0043605140SCHRAUBE KPL. M5X14
101b 994005127SCHRAUBE M5X12
102 168641-9VERGASER
103 140808-1PUMPENKÖRPER KPL.
104 WJ00014070SIEB
105 442154-1DICHTUNG
106 Dolmar STEUERMEMBRAN 168620-7STEUERMEMBRAN
107 140438-8PUMPENABDECKUNG
108 Dolmar PRIMER PUMPE 424314-7PRIMER PUMPE
109 5236046050PRIMERDECKEL
110 367266582BLECHSCHRAUBE 3X24
111 388600803ZYLINDERSCHRAUBE
112 325922-6DREHGELENK
113 5426005030SCHEIBE
114 257964-1SICHERUNGSRING E-3
115 367234183DRUCKFEDER 5-9
116 213538-8O-RING 2
117 326027-5DÜSE
118 442155-9PUMPENDICHTUNG
119 Dolmar PUMPENMEMBRAN WJ00009599PUMPENMEMBRAN
156 381350460ANSAUGROHR
157 381261010O-RING
Rasen
Bankeinzug, MasterCard, Visa, American Express, PayPal, Nachnahme, Vorauskasse, Sofortüberweisung
Datenschutzerklärung Impressum
Qualitätsmanagement
Informieren Sie uns, wenn Sie einen Fehler gefunden haben.