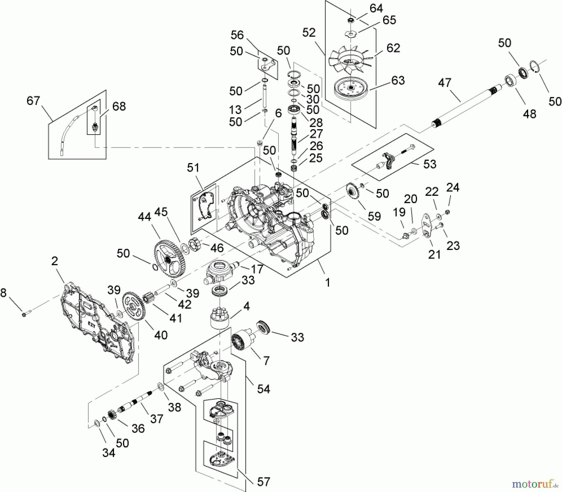
Toro 74372 (Z5020) - TimeCutter Z5020 Riding Mower, 2007 (270000001-270999999) LH HYDRO DRIVE ASSEMBLY NO. 110-6770 Ersatzteile
LH HYDRO DRIVE ASSEMBLY NO. 110-6770 74372 (Z5020) - Toro TimeCutter Z5020 Riding Mower, 2007 (270000001-270999999)

Hier finden Sie die Ersatzteilzeichnung für Toro Neu Mowers, Zero-Turn 74372 (Z5020) - Toro TimeCutter Z5020 Riding Mower, 2007 (270000001-270999999) LH HYDRO DRIVE ASSEMBLY NO. 110-6770. Wählen Sie das benötigte Ersatzteil aus der Ersatzteilliste Ihres Toro Gerätes aus und bestellen Sie einfach online. Viele Toro Ersatzteile halten wir ständig in unserem Lager für Sie bereit.



