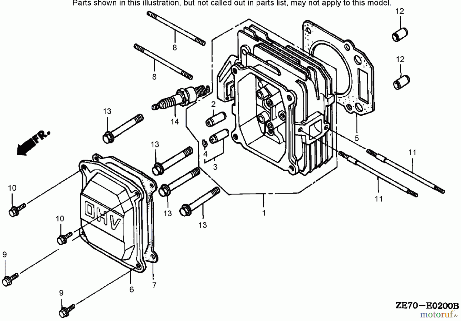
Toro 22168 - 21" Heavy-Duty Recycler/Rear Bagger Lawnmower, 2004 (240000001-240999999) CYLINDER HEAD ASSEMBLY HONDA GXV160K1-N1AH Ersatzteile
CYLINDER HEAD ASSEMBLY HONDA GXV160K1-N1AH 22168 - Toro 21" Heavy-Duty Recycler/Rear Bagger Lawnmower, 2004 (240000001-240999999)

Hier finden Sie die Ersatzteilzeichnung für Toro Neu Mowers, Walk-Behind Seite 2 22168 - Toro 21" Heavy-Duty Recycler/Rear Bagger Lawnmower, 2004 (240000001-240999999) CYLINDER HEAD ASSEMBLY HONDA GXV160K1-N1AH. Wählen Sie das benötigte Ersatzteil aus der Ersatzteilliste Ihres Toro Gerätes aus und bestellen Sie einfach online. Viele Toro Ersatzteile halten wir ständig in unserem Lager für Sie bereit.



