Toro 30170 - Mid-Size Proline Gear Traction Unit, 12.5 hp, 1991 (1000001-1999999) CRANKCASE ASSEMBLY Ersatzteile
CRANKCASE ASSEMBLY 30170 - Toro Mid-Size Proline Gear Traction Unit, 12.5 hp, 1991 (1000001-1999999)

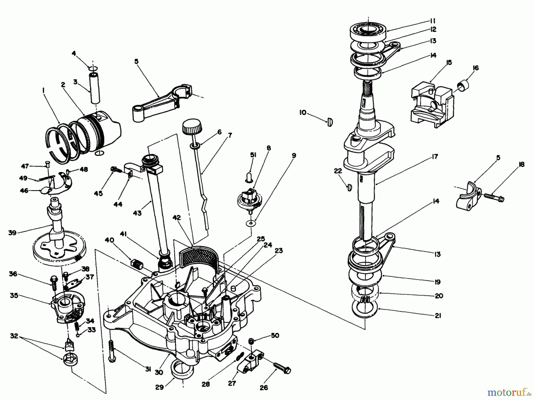
Hier finden Sie die Ersatzteilzeichnung für Toro Neu Mowers, Drive Unit Only 30170 - Toro Mid-Size Proline Gear Traction Unit, 12.5 hp, 1991 (1000001-1999999) CRANKCASE ASSEMBLY. Wählen Sie das benötigte Ersatzteil aus der Ersatzteilliste Ihres Toro Gerätes aus und bestellen Sie einfach online. Viele Toro Ersatzteile halten wir ständig in unserem Lager für Sie bereit.





