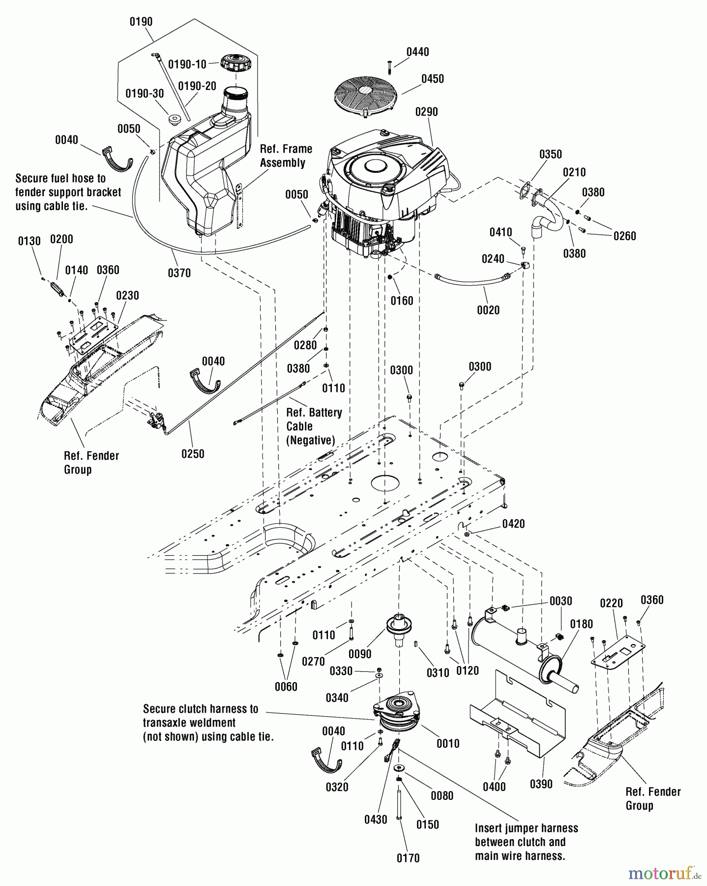
Murray 107.280061 (7800753) - Craftsman ZTS7000, 21HP B&S w/42" Mower Deck (2011) (Sears) Engine Group - 21HP Briggs & Stratton (7502415) Ersatzteile
Engine Group - 21HP Briggs & Stratton (7502415) 107.280061 (7800753) - Craftsman ZTS7000, 21HP B&S w/42" Mower Deck (2011) (Sears)

Hier finden Sie die Ersatzteilzeichnung für Murray Nullwendekreismäher, Zero-Turn 107.280061 (7800753) - Craftsman ZTS7000, 21HP B&S w/42" Mower Deck (2011) (Sears) Engine Group - 21HP Briggs & Stratton (7502415). Wählen Sie das benötigte Ersatzteil aus der Ersatzteilliste Ihres Murray Gerätes aus und bestellen Sie einfach online. Viele Murray Ersatzteile halten wir ständig in unserem Lager für Sie bereit.



