Einstellungen Computer

Murray 46501x92A - B&S/ 46" Lawn Tractor (2000) (Walmart) Motion Drive Ersatzteile

Motion Drive 46501x92A - B&S/Murray 46" Lawn Tractor (2000) (Walmart)

 Murray Rasen- und Gartentraktoren 46501x92A - B&S/Murray 46

Hier finden Sie die Ersatzteilzeichnung für Murray Rasen- und Gartentraktoren 46501x92A - B&S/Murray 46" Lawn Tractor (2000) (Walmart) Motion Drive. Wählen Sie das benötigte Ersatzteil aus der Ersatzteilliste Ihres Murray Gerätes aus und bestellen Sie einfach online. Viele Murray Ersatzteile halten wir ständig in unserem Lager für Sie bereit.

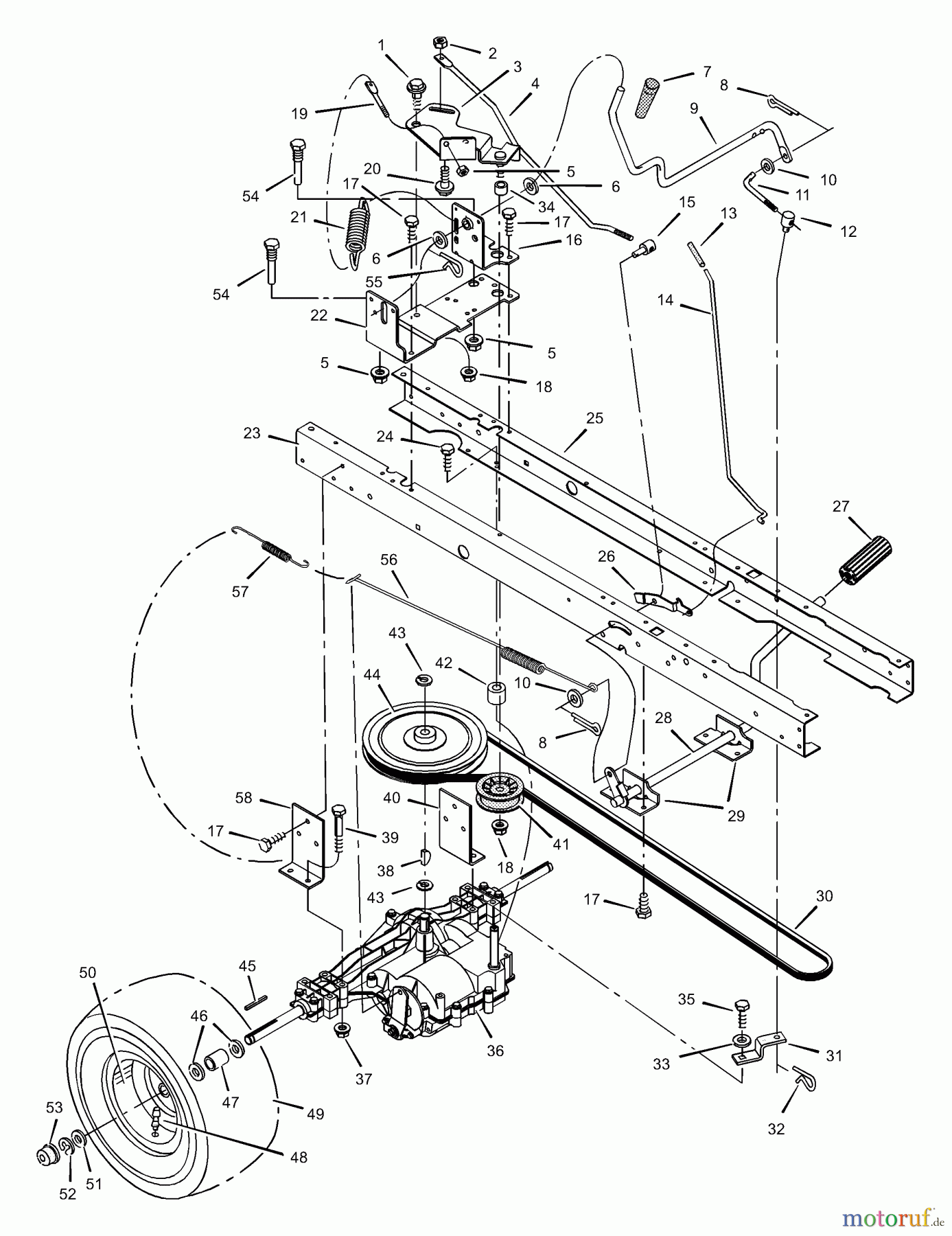
BildNrArtikel NummerBezeichnung
1 BS009X39MAANSATZBOLZEN .38-16 X .
2 BS015X89MAMUTTER 25-20FLANSCHARRETIERUNG
3 BS690173ZMAIDLER ARM ASSY (LT)
4 BS094041ZMAROD - CLUTCH
5 BS015X79MANUT.31-18 FLANGELOCK
6 BS17X102MAUNTERLEGSCHEIBE-MAHER
7 BS092697MAGRIP - .50 ID - BLACK
8 BS030X20MAPIN-COTTER.09D-.750L
9 BS094043ZMALEVER - SHIFTER
10 BS017X47MAUNTERLEGSCHEIBE .34 .62
11 BS094044ZMASPANNSTIFT
12 BS021920ZMAJUSTIERMUTTER
13 BS091079MAGRIP-BLACK .207 ID X
14 BS094152 Z
15 BS094815ZMANUT-ADJUSTING
16 BS094034E700MAHALTER VERSTELLSTANGE
17 BS26X249MASCREW-.312-18X.75
18 BS015X84MAMUTTER, CENTERLOCK .38-
19 BS094042ZMAFEDERBOLZEN MTG.
20 BS009X54MABOLT-SHD.25-20X.375D
21 BS165X116MALEITZUGFEDER
22 BS690166E700MABRKT. SHIFT R.H.
23 BS690206E700
24 BS333474MASCREW, 5/16-18X2.00
25 BS690207E700
26 BS094045ZMASPERRRIEGEL-PARKBREMSE
27 BS021544MACLUTCH & BRAKE PEDAL
28 BS7400256ZMAHEBEL, HALTER. KUPPLUNG
29 BS1001117E701MAHALTER PEDALZAPFEN
30 Murray BELT-V-MOTION DRIVEBS037X87MABELT-V-MOTION DRIVE
31 BS094031ZMAYOKE-SHIFT
32 BS0031X6MAPIN, HAIR .38D - .0
33 BS17X148MAUNTERLEGSCHEIBE.38 SQ 1. 16G F
34 BS690369MASPACER 1/2'' TO 17 MM
35 BS06X105MACAP SCREW 1/4-28 (AR
36 BSEingangswelle UE 600
37 Murray NUT,CENTERLOCK  Z  .3BS015X88MANUT,CENTERLOCK Z .3
38 BS020697MAWOODRUFF KEY #9
39 BS01X155MABOLT-HEX.31-18X2.50 P
40 BS094185E701MABRACKET T/A L.H.
41 BS690409MAIDLER PULLEY - 2.75 D
42 BS094132MASPACER - T/A
43 BS0011X7MASPRENGRING/SEEGERRING.625D.035
44 Murray PULLEY - LOW NOISEBS095094MAPULLEY - LOW NOISE
45 BS021553MAVIERKANTSCHLUSSEL- 3/16
46 BS17X160MAWASHER.76-1.2 16G FL
47 BS690554ZMASPACER
48 BS024373MAVENTIL STM&CP,TR41 SE
49 BS407933MATIRE,20X10(511282)SE
-- BS407049MAINNER TUBE-18X9.5 SE
50 BS092300601MA20X10.00 RAD KOMPL.
51 BS17X195MAUNTERLEGSCHEIBE
52 BS0011X3MARING,E .750D .050T
53 Murray HUB CAPBS094618MAHUB CAP
54 BS093349MAFUHRUNGSSCHRAUBE - ZINK
55 BS0031X4MAPIN, HAIR .56D - .09
56 BS165X115MABREMSZUGFEDER
57 Murray SPRING-EXTENSIONBS165X92MASPRING-EXTENSION
58 BS094184E701MAHALTERUNG - T/A RECHTS
Rasen
Bankeinzug, MasterCard, Visa, American Express, PayPal, Nachnahme, Vorauskasse, Sofortüberweisung
Datenschutzerklärung Impressum