Einstellungen Computer

Wolf-Garten Select SF 56 31A-32AD650 (2012) Auswurfschacht Ersatzteile

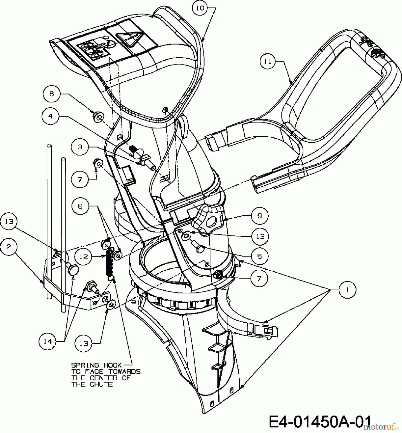
Auswurfschacht 31A-32AD650 (2012)

 Wolf-Garten Schneefräsen Select SF 56 31A-32AD650  (2012) Auswurfschacht

Hier finden Sie die Ersatzteilzeichnung für Wolf-Garten Schneefräsen Select SF 56 31A-32AD650 (2012) Auswurfschacht. Wählen Sie das benötigte Ersatzteil aus der Ersatzteilliste Ihres Wolf-Garten Gerätes aus und bestellen Sie einfach online. Viele Wolf-Garten Ersatzteile halten wir ständig in unserem Lager für Sie bereit.

Rasen
Bankeinzug, MasterCard, Visa, American Express, PayPal, Nachnahme, Vorauskasse, Sofortüberweisung
Datenschutzerklärung Impressum
Qualitätsmanagement
Informieren Sie uns, wenn Sie einen Fehler gefunden haben.