Murray 107.280061 (7800753) - Craftsman ZTS7000, 21HP B&S w/42" Mower Deck (2011) (Sears) Wiring Schematic Ersatzteile
Wiring Schematic 107.280061 (7800753) - Craftsman ZTS7000, 21HP B&S w/42" Mower Deck (2011) (Sears)

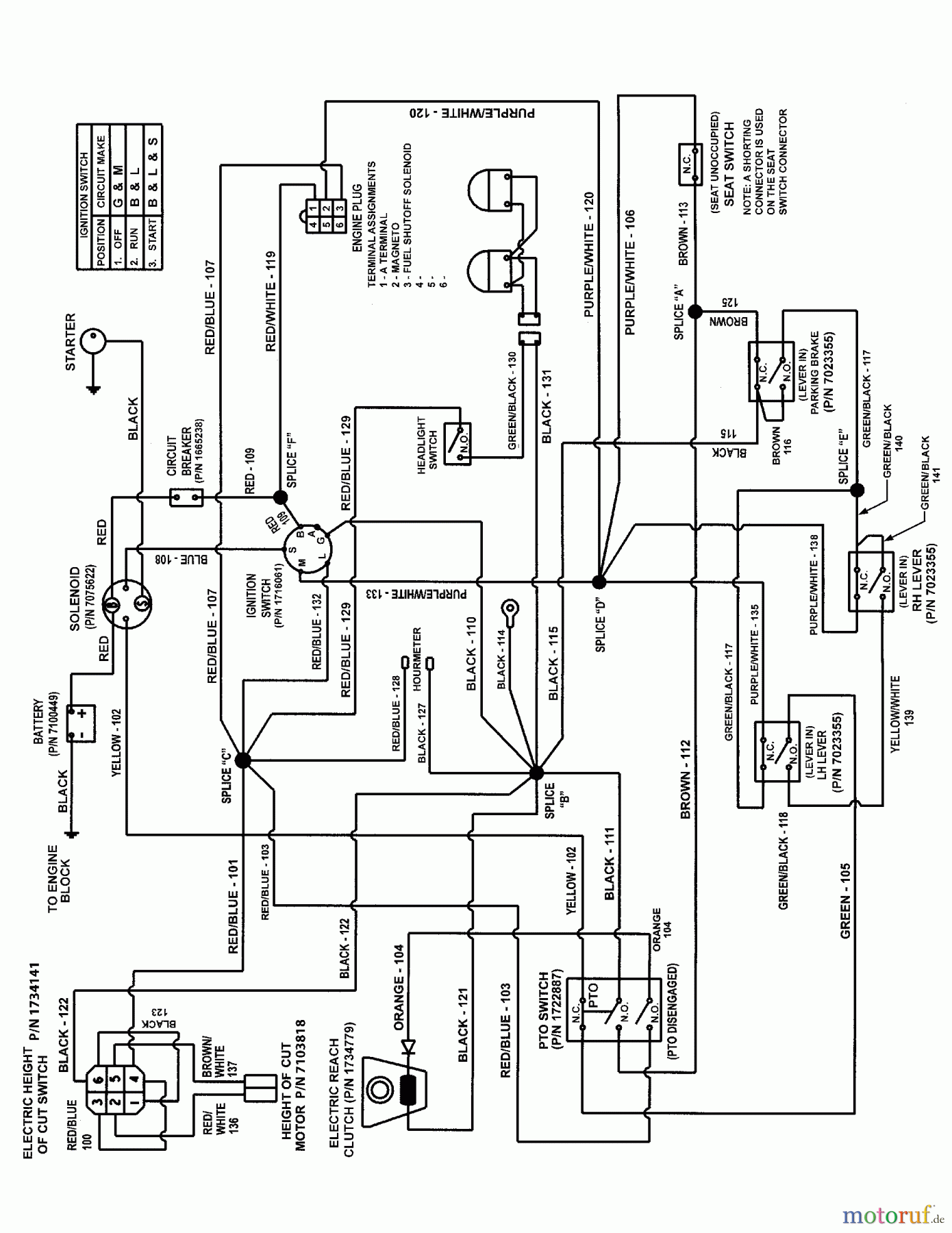
Hier finden Sie die Ersatzteilzeichnung für Murray Nullwendekreismäher, Zero-Turn 107.280061 (7800753) - Craftsman ZTS7000, 21HP B&S w/42" Mower Deck (2011) (Sears) Wiring Schematic. Wählen Sie das benötigte Ersatzteil aus der Ersatzteilliste Ihres Murray Gerätes aus und bestellen Sie einfach online. Viele Murray Ersatzteile halten wir ständig in unserem Lager für Sie bereit.
| BildNr | Artikel Nummer | Bezeichnung | |
| 1 | BS7103412YP | HARNESS, WIRING, ZT | |


Qualitätsmanagement
Informieren Sie uns, wenn Sie einen Fehler gefunden haben.

