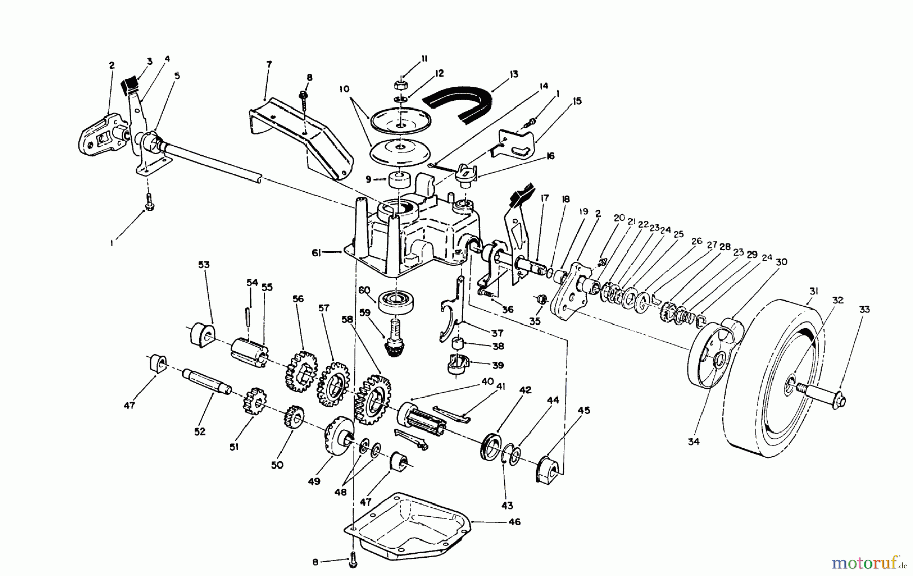
Toro 26682 - Lawnmower, 1990 (0000001-0999999) GEAR CASE ASSEMBLY Ersatzteile
Radbolzen
Artikel Nummer:
TR27-6231
BildNr:
33
10.30 €
für EU incl. MwSt., zzgl. Versand
Der Artikel wurde in den Einkaufswagen gelegt!
sofort Lieferbar
Hier finden Sie die Ersatzteilzeichnung für Toro Neu Mowers, Walk-Behind Seite 2 26682 - Toro Lawnmower, 1990 (0000001-0999999) GEAR CASE ASSEMBLY. Wählen Sie das benötigte Ersatzteil aus der Ersatzteilliste Ihres Toro Gerätes aus und bestellen Sie einfach online. Viele Toro Ersatzteile halten wir ständig in unserem Lager für Sie bereit.


























