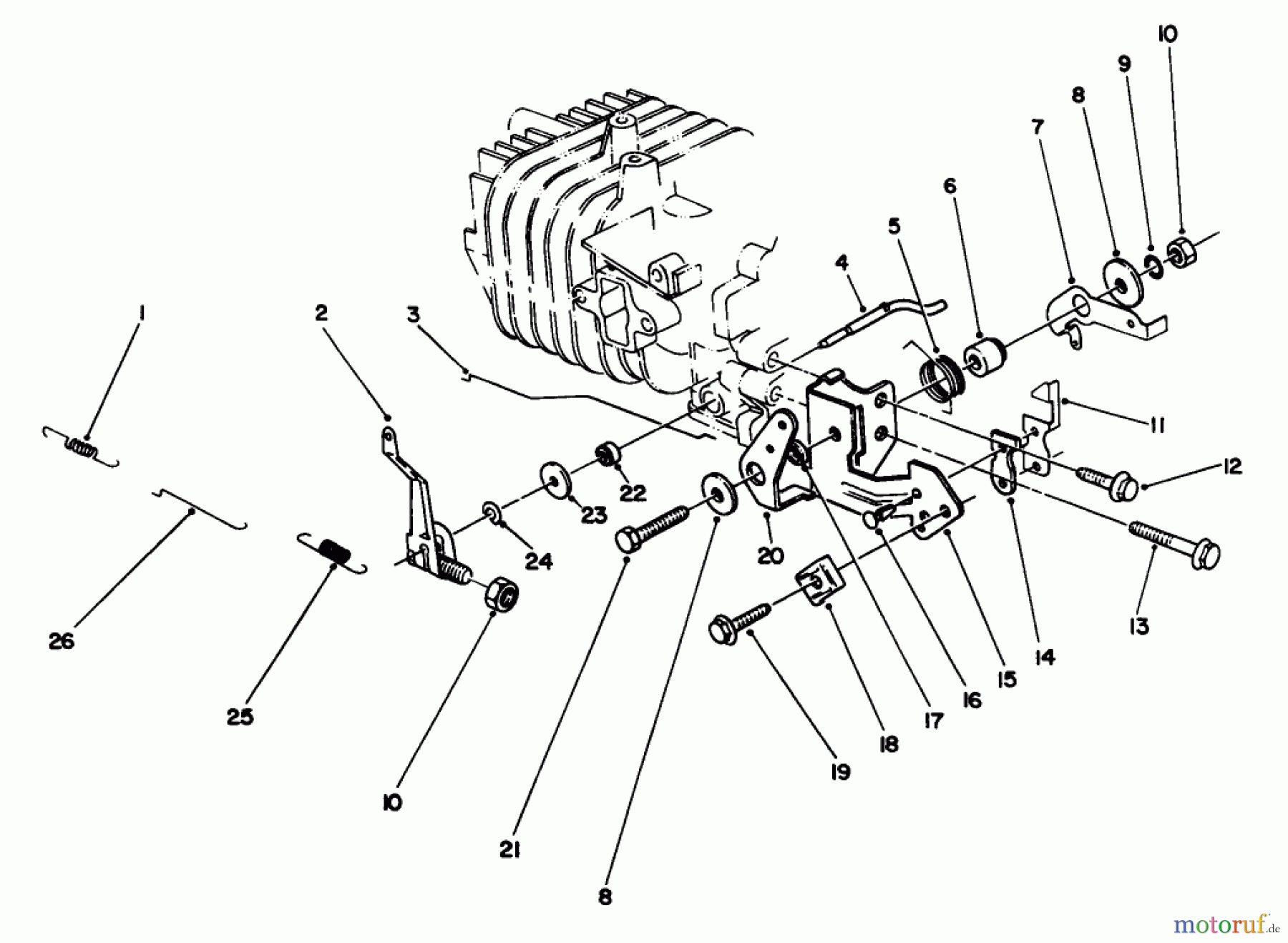
Toro 22040 - Lawnmower, 1992 (2000001-2999999) GOVERNOR ASSEMBLY (MODEL NO. 47PM1-3) Ersatzteile
BRACKET-THROTTLE, CONTROL
Artikel Nummer:
TR81-2420
BildNr:
15
38.06 €
für EU incl. MwSt., zzgl. Versand
Der Artikel wurde in den Einkaufswagen gelegt!
Wird für Sie bestellt: Lieferzeit ca. 5 Werktage.
Hier finden Sie die Ersatzteilzeichnung für Toro Neu Mowers, Walk-Behind Seite 2 22040 - Toro Lawnmower, 1992 (2000001-2999999) GOVERNOR ASSEMBLY (MODEL NO. 47PM1-3). Wählen Sie das benötigte Ersatzteil aus der Ersatzteilliste Ihres Toro Gerätes aus und bestellen Sie einfach online. Viele Toro Ersatzteile halten wir ständig in unserem Lager für Sie bereit.


Qualitätsmanagement
Informieren Sie uns, wenn Sie einen Fehler gefunden haben.


