Einstellungen Computer

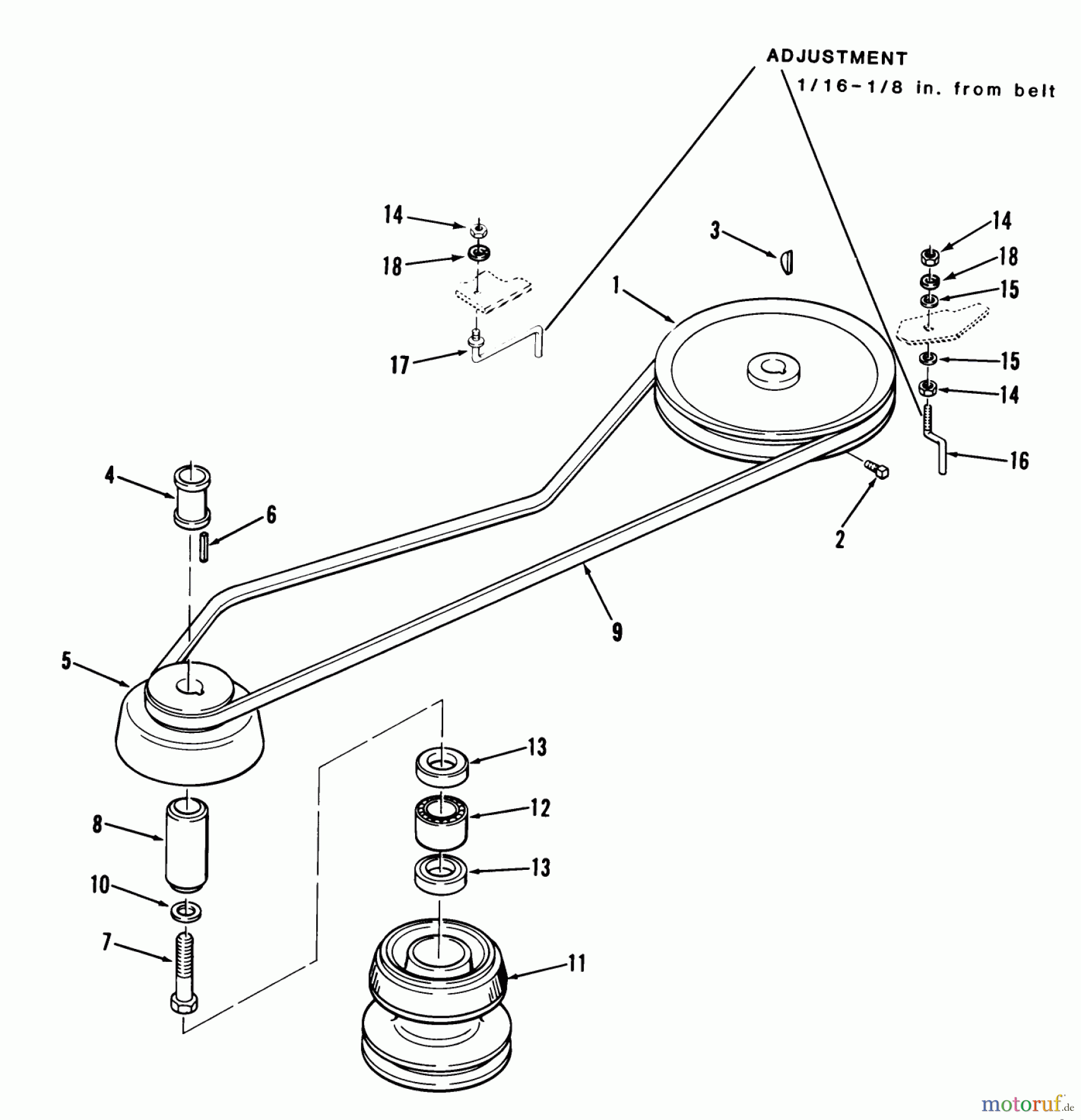
Toro A2-16BP01 (LT-1600) - LT-1600 Twin 5-Speed Tractor, 1984 DRIVE BELT AND PULLEYS Ersatzteile

DISCONTINUED

Artikel Nummer:
TR106564
BildNr:
8
Nicht mehr lieferbar.
 Toro Neu Mowers, Lawn & Garden Tractor Seite 2 A2-16BP01 (LT-1600) - Toro LT-1600 Twin 5-Speed Tractor, 1984 DRIVE BELT AND PULLEYS

Hier finden Sie die Ersatzteilzeichnung für Toro Neu Mowers, Lawn & Garden Tractor Seite 2 A2-16BP01 (LT-1600) - Toro LT-1600 Twin 5-Speed Tractor, 1984 DRIVE BELT AND PULLEYS. Wählen Sie das benötigte Ersatzteil aus der Ersatzteilliste Ihres Toro Gerätes aus und bestellen Sie einfach online. Viele Toro Ersatzteile halten wir ständig in unserem Lager für Sie bereit.

Rasen
Bankeinzug, MasterCard, Visa, American Express, PayPal, Nachnahme, Vorauskasse, Sofortüberweisung
Datenschutzerklärung Impressum
Qualitätsmanagement
Informieren Sie uns, wenn Sie einen Fehler gefunden haben.