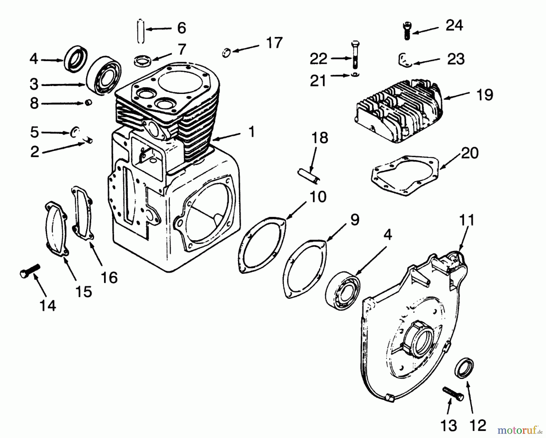
Toro 73380 (312-8) - 312-8 Garden Tractor, 1993 (3900001-3999999) CRANKCASE AND CYLINDER HEAD Ersatzteile
KOHLER 47-782-67
Artikel Nummer:
TRKH10721
Nicht mehr lieferbar.

Hier finden Sie die Ersatzteilzeichnung für Toro Neu Mowers, Lawn & Garden Tractor Seite 1 73380 (312-8) - Toro 312-8 Garden Tractor, 1993 (3900001-3999999) CRANKCASE AND CYLINDER HEAD. Wählen Sie das benötigte Ersatzteil aus der Ersatzteilliste Ihres Toro Gerätes aus und bestellen Sie einfach online. Viele Toro Ersatzteile halten wir ständig in unserem Lager für Sie bereit.


Qualitätsmanagement
Informieren Sie uns, wenn Sie einen Fehler gefunden haben.

