Snapper 2100HHB - Hand-Held Blower Carburetor & Air Filter Ersatzteile
Artikel Nummer:
BS7044594
BildNr:
21
Nicht mehr lieferbar.

Hier finden Sie die Ersatzteilzeichnung für Snapper Sonstiges 2100HHB - Snapper Hand-Held Blower Carburetor & Air Filter. Wählen Sie das benötigte Ersatzteil aus der Ersatzteilliste Ihres Snapper Gerätes aus und bestellen Sie einfach online. Viele Snapper Ersatzteile halten wir ständig in unserem Lager für Sie bereit.
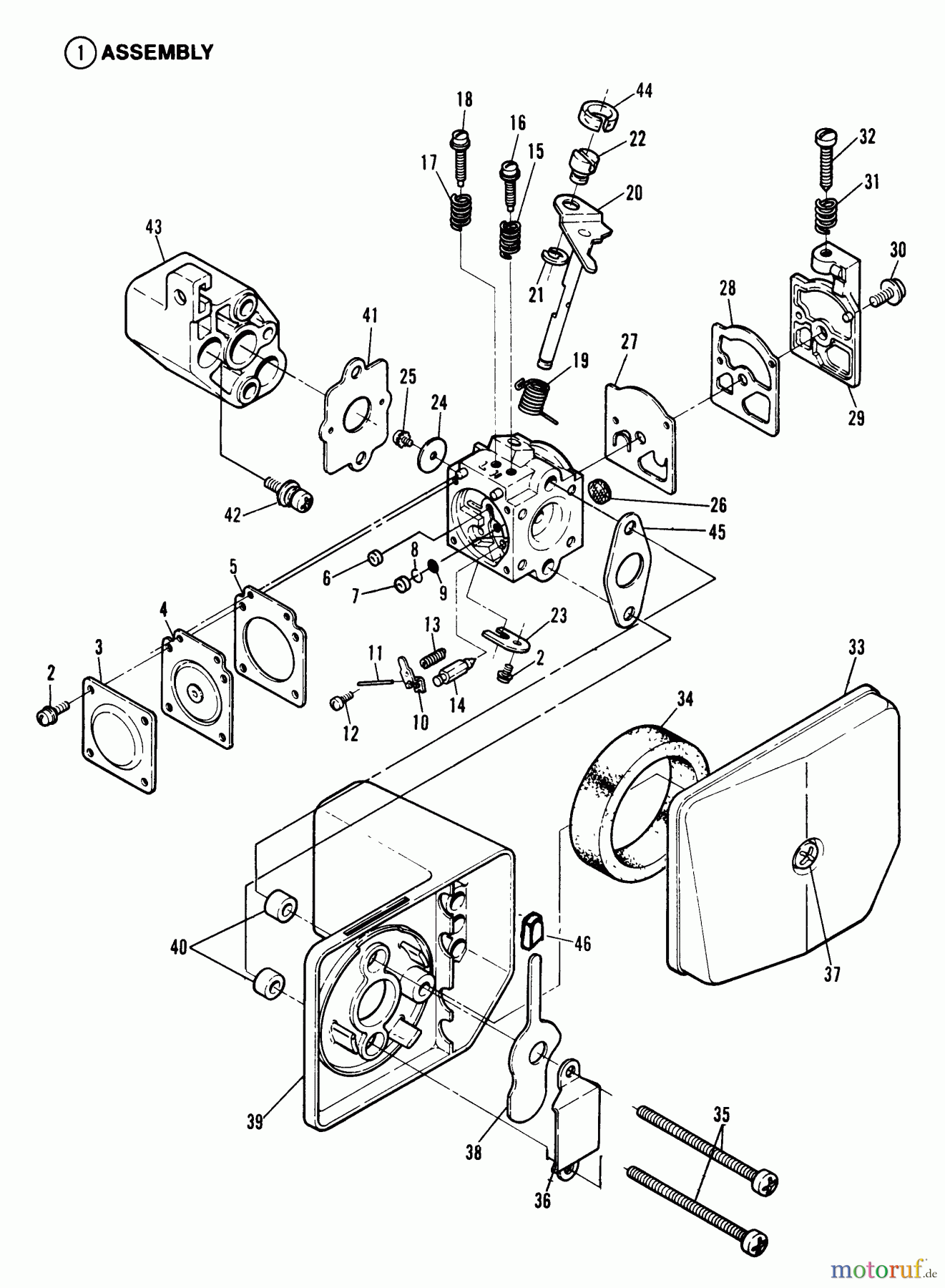
| BildNr | Artikel Nummer | Bezeichnung | |
| 1 | BS7044547YP | CARBURETOR # | |
| 2 | BS7046127 | ||
| 3 | BS7044588 | ||
| 4 | BS7044566 | ||
| 5 | BS7044566 | ||
| 6 | BS7044566 | ||
| 7 | BS7044566 | ||
| 8 | BS7044582 | ||
| 9 | BS7044566 | ||
| 10 | BS7044566 | ||
| 11 | BS46107 | ||
| 12 | BS46106 | ||
| 13 | BS7042238 | ||
| 14 | BS7044566 | ||
| 15 | BS46118 | ||
| 16 | BS7044566 | ||
| 17 | BS46100 | ||
| 18 | BS46101 | ||
| 19 | BS7046114 | ||
| 20 | BS7044592 | ||
| 21 | BS7044594 | ||
| 22 | BS7044593 | ||
| 23 | BS7046126 | ||
| 24 | BS7044595 | ||
| 25 | BS42326 | ||
| 26 | BS7044566 | ||
| 27 | BS7044566 | ||
| 28 | BS7044566 | ||
| 29 | BS7044584 | ||
| 30 | BS46097 | ||
| 31 | BS7044590 | ||
| 32 | BS44589 | ||
| 33 | BS7044541YP | COVER, CLEANER ## | |
| 34 | BS7044542 | ||
| 35 | BS7044539YP | SCREW & WASHER, CARBU | |
| 36 | BS7044543 | ||
| 37 | BS7044549YP | SCREW & WASHER, CARB. | |
| 38 | BS7044544 | ||
| 39 | BS7044545YP | BASE, AIR CLEANER # | |
| 40 | BS7044546 | ||
| 41 | BS7044505YP | GASKET, CARB. ## | |
| 42 | BS7044549 | ||
| 43 | BS7044550YP | INSULATOR, CARB. # | |
| 44 | BS7044548 | ||
| 45 | BS7044578YP | GASKET, CHK.BASE # | |
| 46 | BS7044597YP | COVER, CHOKE LEVER | |
| BS7044566 | |||
| BS7044567YP | MINOR REPAIR KIT | ||
| BS7044580 | |||


Qualitätsmanagement
Informieren Sie uns, wenn Sie einen Fehler gefunden haben.

