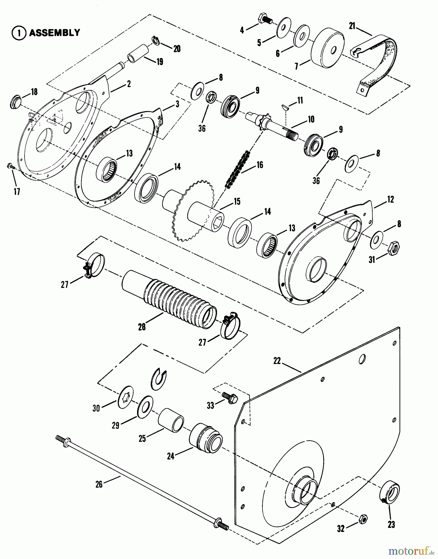
Snapper 41115SC - 41" Rear-Engine Rider, 11 HP, Commercial Series 5 Chain Case, LH Fender Ersatzteile
ZAHNRADWELLE
Artikel Nummer:
BS7010940YP
BildNr:
10
112.74 €
für EU incl. MwSt., zzgl. Versand
Der Artikel wurde in den Einkaufswagen gelegt!
Wird für Sie bestellt: Lieferzeit ca. 5 Werktage.
Hier finden Sie die Ersatzteilzeichnung für Snapper Reitermäher 41115SC - Snapper 41" Rear-Engine Rider, 11 HP, Commercial Series 5 Chain Case, LH Fender. Wählen Sie das benötigte Ersatzteil aus der Ersatzteilliste Ihres Snapper Gerätes aus und bestellen Sie einfach online. Viele Snapper Ersatzteile halten wir ständig in unserem Lager für Sie bereit.


Qualitätsmanagement
Informieren Sie uns, wenn Sie einen Fehler gefunden haben.


