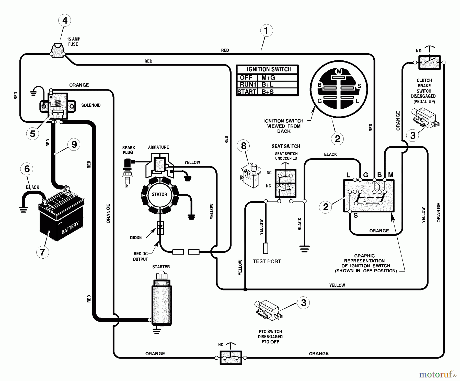
Murray 309000x8NA - Scotts 30" Mid-Engine Rider (2003) (Home Depot) Electrical System Ersatzteile
CABLE, GROUND SM RID
Artikel Nummer:
BS24X37MA
BildNr:
6
20.07 €
für EU incl. MwSt., zzgl. Versand
Der Artikel wurde in den Einkaufswagen gelegt!
Wird für Sie bestellt: Lieferzeit ca. 5 Werktage.
Hier finden Sie die Ersatzteilzeichnung für Murray Reitermäher 309000x8NA - Scotts 30" Mid-Engine Rider (2003) (Home Depot) Electrical System. Wählen Sie das benötigte Ersatzteil aus der Ersatzteilliste Ihres Murray Gerätes aus und bestellen Sie einfach online. Viele Murray Ersatzteile halten wir ständig in unserem Lager für Sie bereit.



