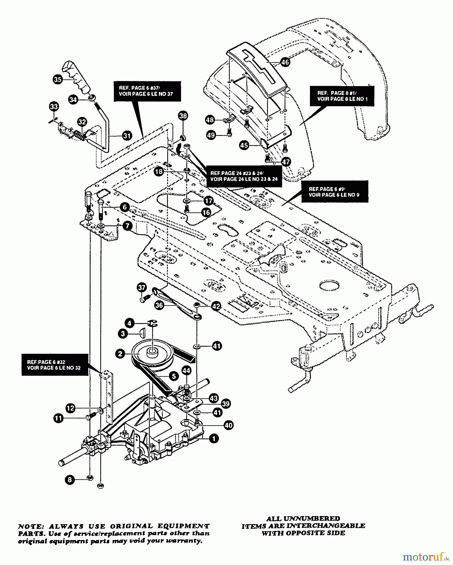
Murray G4315160 - 43" Lawn Tractor (1997) Motion Drive Assembly (part 1) Ersatzteile
Artikel Nummer:
BS309637
BildNr:
39
Nicht mehr lieferbar.

Hier finden Sie die Ersatzteilzeichnung für Murray Rasen- und Gartentraktoren G4315160 - Murray 43" Lawn Tractor (1997) Motion Drive Assembly (part 1). Wählen Sie das benötigte Ersatzteil aus der Ersatzteilliste Ihres Murray Gerätes aus und bestellen Sie einfach online. Viele Murray Ersatzteile halten wir ständig in unserem Lager für Sie bereit.


Qualitätsmanagement
Informieren Sie uns, wenn Sie einen Fehler gefunden haben.

