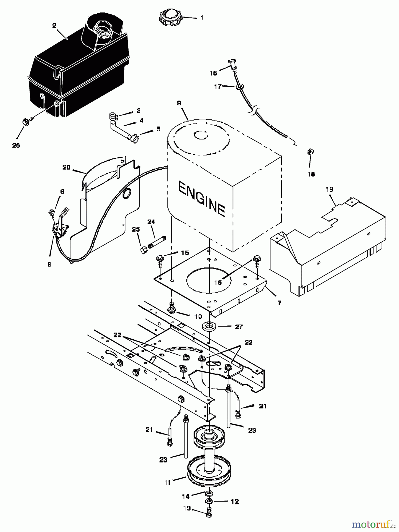
Murray 48560x92A - B&S/ 48" Lawn Tractor (1997) (Walmart) Engine Mount Ersatzteile
Artikel Nummer:
BS091174
BildNr:
5
Nicht mehr lieferbar.

Hier finden Sie die Ersatzteilzeichnung für Murray Rasen- und Gartentraktoren 48560x92A - B&S/Murray 48" Lawn Tractor (1997) (Walmart) Engine Mount. Wählen Sie das benötigte Ersatzteil aus der Ersatzteilliste Ihres Murray Gerätes aus und bestellen Sie einfach online. Viele Murray Ersatzteile halten wir ständig in unserem Lager für Sie bereit.


Qualitätsmanagement
Informieren Sie uns, wenn Sie einen Fehler gefunden haben.

