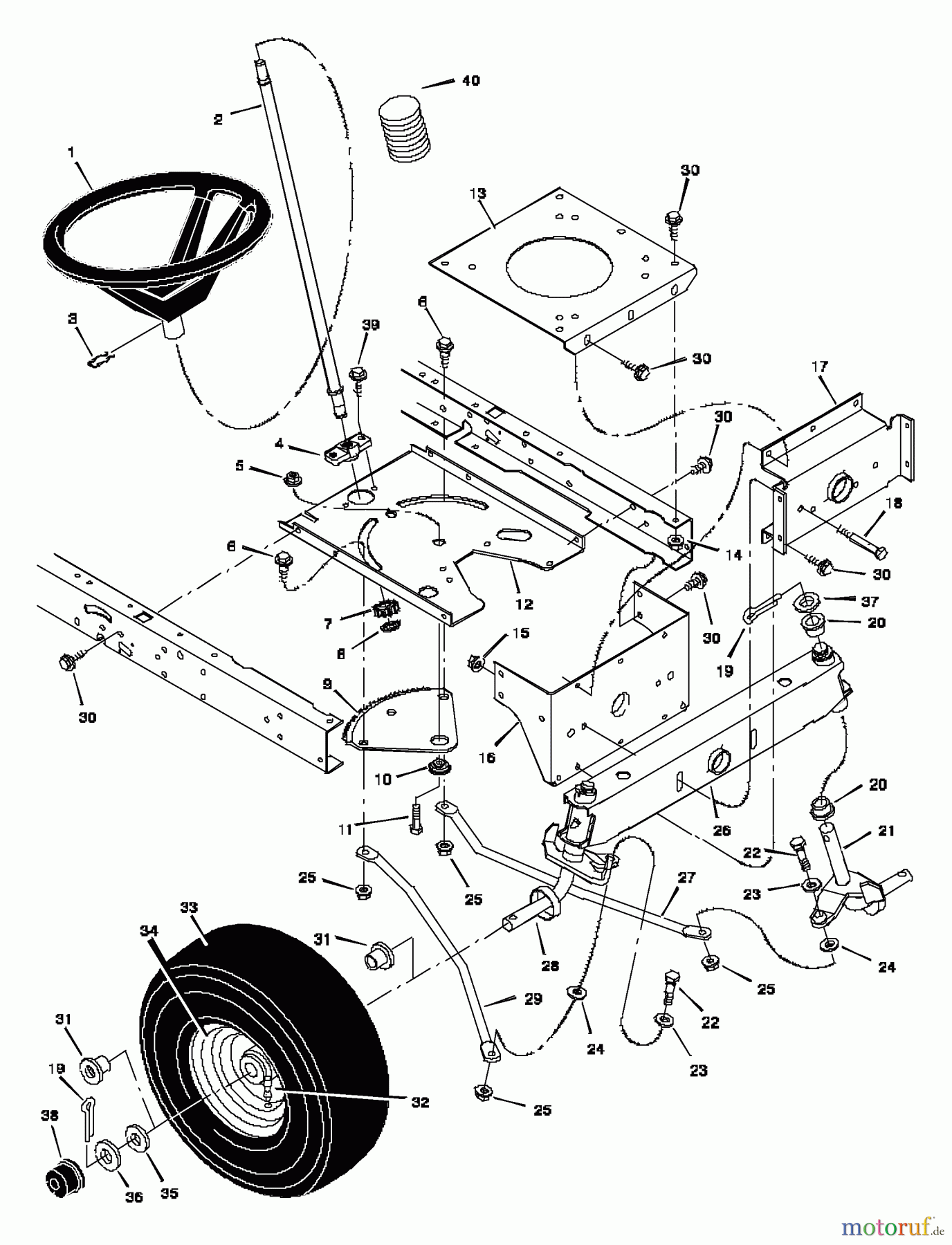
Murray 42578x6A - Ultra 42" Lawn Tractor (1997) Steering Ersatzteile
BEARING WHEEL SET
Artikel Nummer:
BS491334MA
BildNr:
31
37.54 €
für EU incl. MwSt., zzgl. Versand
Der Artikel wurde in den Einkaufswagen gelegt!
Wird für Sie bestellt: Lieferzeit ca. 5 Werktage.
Hier finden Sie die Ersatzteilzeichnung für Murray Rasen- und Gartentraktoren 42578x6A - Murray Ultra 42" Lawn Tractor (1997) Steering. Wählen Sie das benötigte Ersatzteil aus der Ersatzteilliste Ihres Murray Gerätes aus und bestellen Sie einfach online. Viele Murray Ersatzteile halten wir ständig in unserem Lager für Sie bereit.


Qualitätsmanagement
Informieren Sie uns, wenn Sie einen Fehler gefunden haben.




