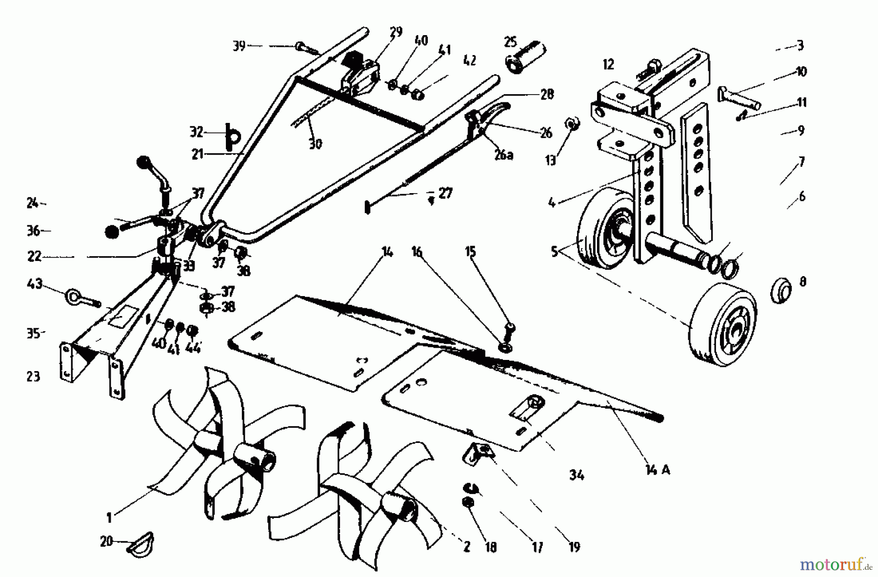
Golf 160 MS 4 07514.02 (1993) Hacksterne, Holm Ersatzteile
SECHSKANTSCHRAUBE DIN 933
Artikel Nummer:
21.1441.69
BildNr:
15
DINNORM:
M8X18 ZN5GL CB (710-1395)8.8
Modell BJ:
160 MS 4 / 1993
Nicht mehr lieferbar.

Hier finden Sie die Ersatzteilzeichnung für Golf Motorhacken 160 MS 4 07514.02 (1993) Hacksterne, Holm. Wählen Sie das benötigte Ersatzteil aus der Ersatzteilliste Ihres Golf Gerätes aus und bestellen Sie einfach online. Viele Golf Ersatzteile halten wir ständig in unserem Lager für Sie bereit.


Qualitätsmanagement
Informieren Sie uns, wenn Sie einen Fehler gefunden haben.

