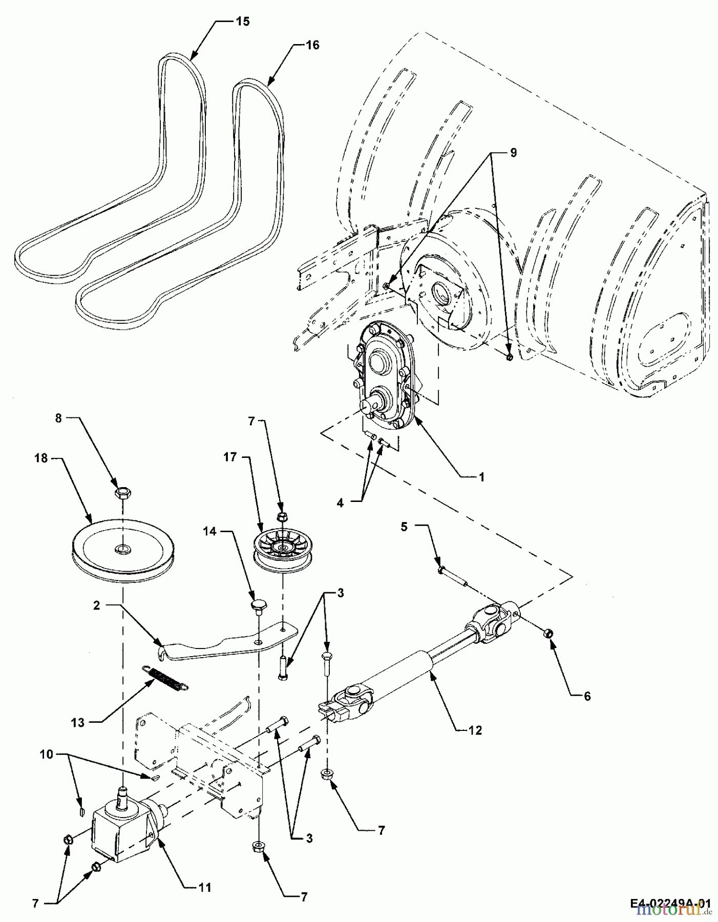
MTD Zubehör Schneefräsen für CC 2000 SD Serie 190-341-100 (2001) Gelenkwelle, Getriebe, Keilriemen Ersatzteile
6KT-MUTTER:5/16-24:GR8:NYLON
Artikel Nummer:
712-0411
BildNr:
6
Modell BJ:
für CC 2000 SD Serie / 2000 für CC 2000 SD Serie / 2001 für CC 2000 SD Serie / 2002 für CC 2000 SD Serie / 2003 für CC 2000 SD Serie / 2004 für CC 2000 SD Serie / 2005 für CC 2000 SD Serie / 2006 für CC 2000 SD Serie / 2007
Bemerkung:
5/16-24
DINNORM:
FINISH:701-01000
2.91 €
für EU incl. MwSt., zzgl. Versand
Der Artikel wurde in den Einkaufswagen gelegt!
Wird für Sie bestellt: Lieferzeit ca. 5 bis 14 Werktage.
Hier finden Sie die Ersatzteilzeichnung für MTD Zubehör Zubehör Garten- und Rasentraktoren Schneefräsen für CC 2000 SD Serie 190-341-100 (2001) Gelenkwelle, Getriebe, Keilriemen. Wählen Sie das benötigte Ersatzteil aus der Ersatzteilliste Ihres MTD Zubehör Gerätes aus und bestellen Sie einfach online. Viele MTD Zubehör Ersatzteile halten wir ständig in unserem Lager für Sie bereit.


Qualitätsmanagement
Informieren Sie uns, wenn Sie einen Fehler gefunden haben.









