Zurück zu
>
Roth / TORO
>
Aufsitzmäher
>
Traktor
>
244-5
>
308/72060
>
3900001
>
Starter
Ersatzteillisten für Toro Roth / TORO Starter
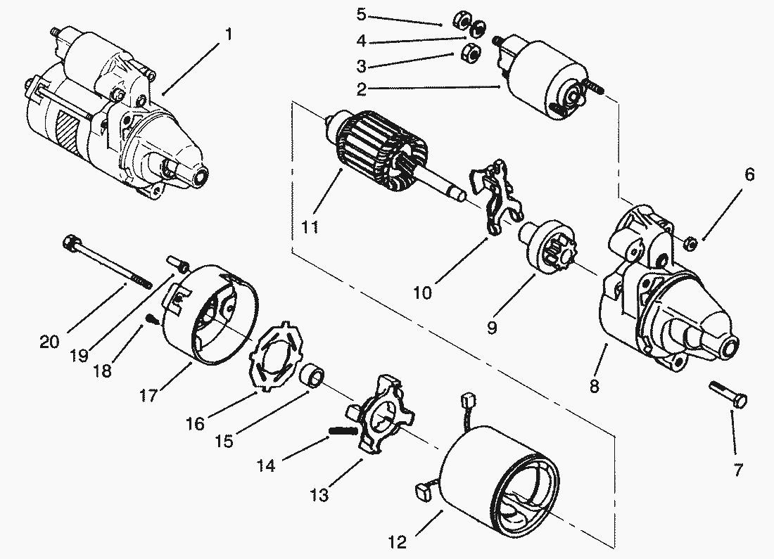
Pos.
Bezeichnung
Ersatzteilnummer
Frame-Commutator (Incl. Ref.
92-5856
Pos.
Bezeichnung
Ersatzteilnummer
1
Anlasser 191-1906
NN10739
2
Magnetschalter
92-5860
3
Nut
92-5863
4
Washer-Lock
92-5865
5
Nut
92-5864
6
Nut
92-5862
7
Screw
92-5850
8
9
10
Lever-Drive
92-5859
11
Armature
92-5855
12
Frame-Starter
92-5851
13
Holder-Brush
92-5853
14
Spring
92-5852
15
Lager
92-5857
16
Insulator
92-5854
18
19
Cover
92-5858
20
Schraube
92-5861
Gebrauchsanweisungen
Toro
Roth / TORO
Aufsitzmäher
Traktor
264-6
246 HE
244-5
308/72060
3900001
Getriebeachse (Peerlesss Modell-Nr. 801-062)
Elektro-Schaltplan
Starter
Reglergestänge & Abdeckung
Vergaser und Kraftstoffpumpe
Luftfilter
Gebläsegehäuse & Zündung
Zylinderkopf & Ventile
Ölwanne & Pumpe
Kurbelwelle & Nockenwelle (Fortsetzung)
Kurbelwelle & Nockenwelle
Zylinderblock
Kotflügel & Sitz
Hinterrad & Getriebe
Bremse & Kupplung Pedal
Spannrolle & Pedalwelle
Aushubgestänge
Armaturenbrett
Lenkwelle & Anzeigen
Lenkrad & Konsole
Kraftstofftank & Lenkung Halter
Kupplung 92-1686
Batterie
Motor & Kupplung
Vorderachse
Hauptrahmen
Haube
212-H
212-5
17-44 HXLE
16-44 HXL
16-38 HXL
16-38 XLE
15-44 HXL
15-38 HXL
14-38 HXL
14-38 XL
13-38 HXL
13-38 XL
13-32 XLE
12-38 HXL
12-38 XL
12-32 XL
264 H
265 H
267 H
268 H
270 H
520 xi
520 Lxi
523 Dxi
Rider
Mähwerke
Zubehör
Handgeräte
Robin
Impressum
(C) by motoruf