Zurück zu
motoruf
Warenkorb

Ersatzteillisten für Toro Roth / TORO Armaturenbrett




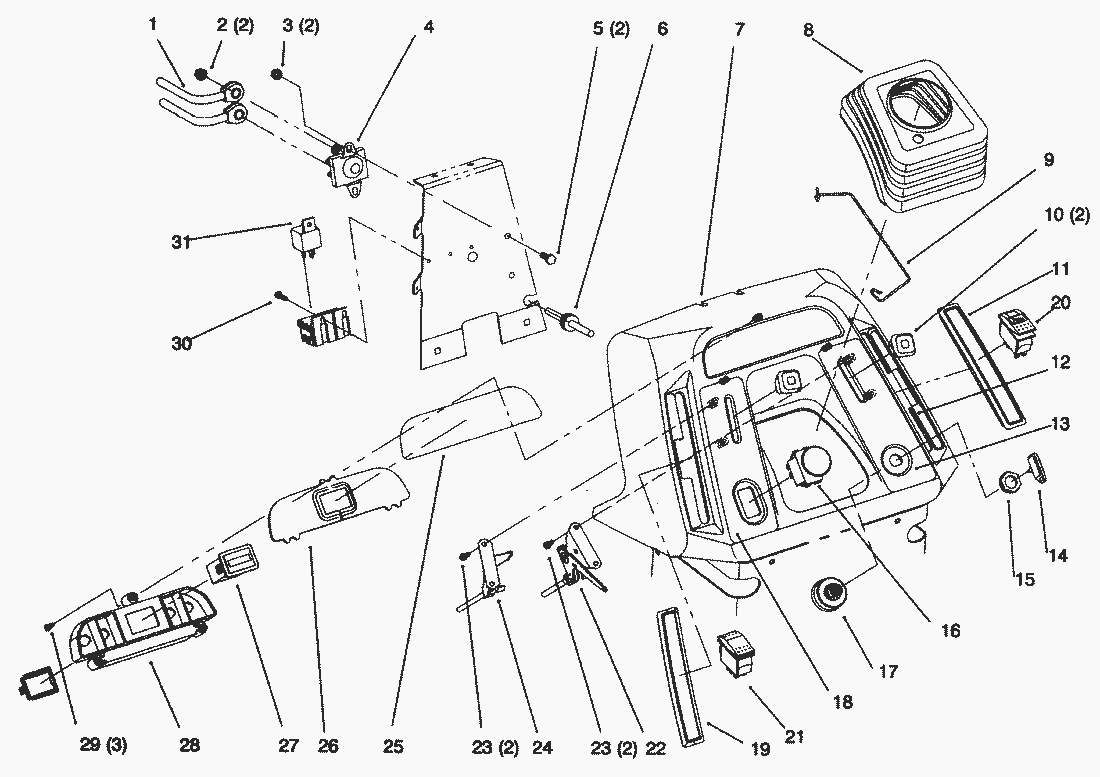
Ersatzteilliste


Pos.BezeichnungErsatzteilnummer
1Batteriekabel92-6989
2Mutter32149-2
3MUTTER3296-42
4Solenoid-12 Volt (Only On: 72043, 72042, 72063, 72062)92-9845
5Schraube321-4
6Gummibuchse237-141
7Armaturenbrett94-1894
8Boot-Steering92-6680
9Befestigungsclip94-2966
10Knopf66-0120
11Cover-Slot RH (Only On: 72043, 72063, 72083, 72103)92-6796
13Decal-Throttle/Ignition (Only On: 72042, 72043, 72083)92-6721
13Klebeschild93-7255
14Key-Switch62-7770
15Nut700919
16Schalter-Messerkuppl.93-9998
17Zuendschloss92-6785
18Decal-Choke/PTO (Only On: 72042, 72043, 72083)92-6720
18Klebeschild93-7256
19Cover-Slot LH92-6797
22Gaszug92-6782
23Schraube32144-32
24Chokzug92-6781
25Decal-Dash Lens (Only On: 72042, 72062, 72063)92-6975
25Klebeschild94-1248
26Lens-Dash92-6705
27Betriebsstundenzaehler94-4208
28Lampenpaneele92-6709
28Housing-Indicator Light (Only On: 72042, 72062, 72063)92-6732
29Schraube32104-118
30Schraube32144-8
31Schaltrelais116397
Gebrauchsanweisungen
Toro
Impressum
(C) by motoruf