Zurück zu
>
Roth / TORO
>
Handgeräte
>
Schneefräsen
>
zweistufig
>
624 PowerShift
>
627/38505
>
0000001
>
Antrieb Gestänge
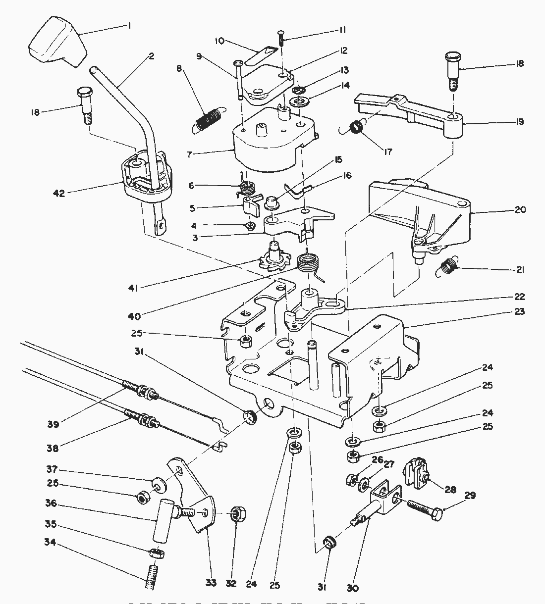
Ersatzteillisten für Toro Roth / TORO Antrieb Gestänge
Pos.
Bezeichnung
Ersatzteilnummer
1
Knob-Shift
62-1290
2
Schaltstange
67-9240
3
Hebel
62-1110
4
Sicherungskappe
3290-422
5
Klinke
62-0180
6
Feder
62-1650
7
Hebel
62-1100
8
Feder
63-2220
9
Bolzen
63-2610
10
Klebeschild
63-2480
11
Schraube
32104-118
12
Abdeckung
62-1140
13
Sicherung
32120-46
14
Scheibe
257-9
15
Sicherungskappe
3290-320
16
Feder
62-1710
17
Feder
63-2240
18
Bolzen
63-2650
19
Hebel
62-1700
20
Hebel
62-1130
21
Feder
63-2230
22
Knickhebel
62-1120
23
Frame-Control
63-2150
24
Scheibe
3256-23
25
MUTTER
3296-29
26
MUTTER
3296-42
27
Washer-Plain
3256-1
28
Schaltstueck
67-9250
29
Schraube
321-43
30
Schaekel
66-7730
31
Buechse
256-296
32
Mutter
3296-39
33
Halter
63-2630
34
Rod-Shift (Lower)
63-2620
35
Mutter
3220-3
36
Kugelgelenk
63-2640
37
Tellerscheibe
3290-456
38
Getriebebowdenzug
63-2210
39
Bowdenzug
63-2200
40
Feder
63-2270
41
Zahnrad
62-0170
42
Grundplatte
62-1470
Gebrauchsanweisungen
Toro
Roth / TORO
Aufsitzmäher
Handgeräte
Kehrmaschinen
Schneefräsen
Zubehör
zweistufig
1332 PowerShift
1232 PowerShift
1132 PowerShift
1132
1028 PowerShift
924 PowerShift
828 PowerShift
824 PowerShift
824 XL
824
724
624 PowerShift
627/38513
627/38510
627/38505
9000001
8000001
1000001
0000001
Kraftstoffsystem & Auspuff Motor Nr. 68-8280 (Fortsetzung)
Kraftstoffsystem & Auspuff Motor Nr. 68-8280
Zündanlage Motor Nr. 68-8280
Motor Nr. 68-8280 Kurbelgehäuse (Fortsetzung)
Motor Nr. 68-8280 Kurbelgehäuse
Differential Bausatz Modell-Nr. 38038 (wahlw.)
Wetterschutz Nr. 68-9500 (wahlw.)
Beleuchtungssatz Nr. 66-7950 (wahlw.)
Holm
Seiten-Schneidschiene (wahlw.)
Antrieb Gestänge
Antrieb
Getriebe Nr. 66-8030 (Fortsetzung)
Getriebe Nr. 66-8030
Motor
Getriebegehäuse Nr. 66-8020
Gehäuse & Auswurf (Fortsetzung)
Gehäuse & Auswurf
622
521
3521
einstufig
Sauger/Bläser
Rasenmäher
Robin
Impressum
(C) by motoruf